Elektronická umývadlová armatúra Brenta so zmiešavačom, pre funkčný box pod omietku
Účel použitia
- na odber pitnej vody
- pre verejný a poloverejný sektor
- na montáž do inštalačných prvkov Geberit pre umývadlo
- nástenná armatúra s funkčným boxom pod omietku
- pre pripojenie studenej a teplej vody (len pri prevedení so zmiešavačom)
- pre pripojenie studenej a zmiešanej vody (len pri prevedení bez zmiešavača)
- na použitie s nerezovými drezami
- prevedenie so zmiešavačom nie je určené pre prietokový ohrievač
- pre hrúbky opláštenia 10–50 mm
Vlastnosti
- skupina armatúr I podľa DIN 4109
- automatické spustenie vody
- infračervené čidlo pre zaznamenanie užívateľa
- infračervený senzor samonastaviteľný
- systém antivandal - odolný proti vandalom
- obmedzenie prietoku usmerňovačom prúdu vody
- nastavenie teploty cez zmiešavač (len pri prevedení so zmiešavačom)
- voda nastaviteľná ako nie iba teplá alebo nie iba studená (iba pri prevedení so zmiešavačom)
- napájanie z batérie
- ochrana proti obareniu obmedzením teploty na 42 ° C (len pri modeli s termostatickým zmiešavačom)
- možnosť tepelnej dezinfekcie podľa DVGW W 551
- batéria stačí na 200 000 spustení
- výstraha v prípade slabej batérie
- ekonomický režim prevádzky nastaviteľný
- úspora vody vďaka dvojprúdovej snímacej technike s rýchlou reakciou
- funkcie je možné servisným diaľkovým ovládaním nastaviť a pýtať
- program úspora vody nastaviteľný
- program intervalu prepláchnutia nastaviteľný
- trvalé prepláchnutie individuálne nastaviteľné
- ovládanie spúšťania deaktivovateľné pomocou ovládania pre údržbu Geberit
- rôzne funkcie ručne nastaviteľné
- so zabudovaným spätným ventilom
- funkčná jednotka so zabudovanými košíkovými filtrami
Technické údaje
- prevedenie: pochrómovaná mosadz
- materiál: plast
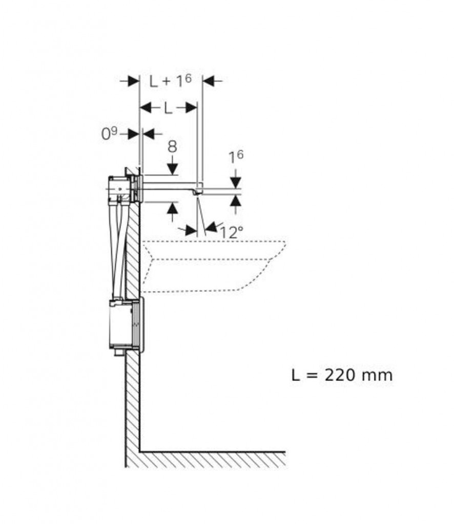
- dĺžka výtoku: 220 mm
- typ batérie: Alkalická batéria (2x 1,5 V AA)
- teplota vody - rozsah nastavenia s termostatickým zmiešavačom 20-42 °C
- druh ochrany: IPX4
- maximálna teplota vody: 60 °C
- prevádzkové napätie: 3 V DC
- maximálna teplota vody krátkodobá: 90 °C
- prevádzkový tlak: 50-1000 kPa
- prietok pri tlaku 3 bar: 5 l/min
- odporúčaný prevádzkový tlak s termostatickým zmiešavačom 50-500 kPa
- minimálny pretlak pre výpočtový prietok 50 kPa
- rozdiel tlaku studená/teplá voda: ≤ 150 kPa
- interval preplachu, rozsah nastavenia 1-168 h
- maximálny skúšobný tlak vody 1600 kPa
- interval spláchnutia, nastavenie vo výrobe: 24 h
- maximálny skúšobný tlak vzduchu / inertného plynu: 300 kPa
- interval preplachu, rozsah nastavenia 5-200 s
- teplota okolia 1-40 °C
- interval spláchnutia, nastavenie vo výrobe 5 s
- teplota skladovania -20 - +70 °C
- materiál mosadz pochrómovaná / plast
Obsah dodávky
- umývadlová batéria
- infračervený senzor s pripojovacím káblom
- riadiaca elektronika
- funkčná jednotka
- púzdro pre batériu
- 2 alkalické mangánové batérie typu AA, 1,5 V
- kľúč pre usmerňovač prúdu vody
- upevňovací materiál
Prvok Geberit pre umývadlo a krycia doska nie sú súčasťou dodávky.
(GT)Parametry
| Kód | 116.298.21.1 |
|---|
Na balenie si zakladáme! Prezrite si, ako pripravujeme a zabalíme Vašu objednávku.
