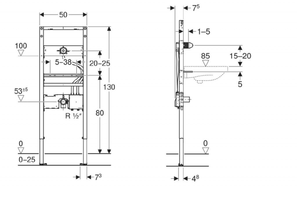
Montážny prvok Duofix pre umývadlo, montáž na stenu s funkčným boxom pod omietku
Účel použitia
- Pre konštrukcie vykonávané suchým procesom
- Na montáž do predstenových inštalácií čiastočne vysokých alebo vysokých na výšku miestnosti
- Na montáž do inštalačných stien vysokých na výšku miestnosti
- Na montáž do systémových stien Geberit Duofix čiastočne vysokých alebo vysokých na výšku miestnosti
- Na montáž umývadiel
- Pre umývadlové armatúry Geberit, nástenná montáž, s funkčným boxom pod omietku
- Na hrúbky podlahy 0–25 cm
Vlastnosti
- Staticky samonosný rám, chránený proti korózii práškovým poťahom
- S výsuvnou doskou na bočné upevnenie nad montážnym prvkom na kovové alebo drevené profily alebo na systémové stojiny Geberit Duofix
- Alternatívna montážna poloha pre nástenné kotvy
- Pätné dosky je možné otáčať, vhodné pre montáž do U profilov UW 50 a UW 75
- Pätné dosky je možné inštalovať do systémovej lišty Geberit Duofix bez náradia, bez ďalších komponentov
- Pozinkované podpery, chránené proti korózii, s protišmykovými vlastnosťami
- Rozteč upevnenia umývadla 5–38 cm
- S rozstupom upevnenia 18 alebo 28 cm, nastaviteľná hĺbka závitových tyčí
- Doska na pripojenie armatúr výškovo nastaviteľná
- Upevnenie pre nástennú armatúru predinštalovaná
- Prívod vody vhodný pre MasterFix a MeplaFix
- Prívod vody na krabici pod omietku dole
- Upevnenie pre pripojovacie koleno výškovo nastaviteľné a zvukovo izolované
- Škatuľa pod omietku pre umývadlové armatúry Geberit, nástenná, s funkčným boxom pod omietku, predmontovaná
- Pripojovacie rúrky medzi krabicou pod omietku a upevnenie pre nástennú armatúru predmontované
- Uzatváracie jednotky integrované do krabice pod omietku
- Svorka na pripojenie elektriny pre prívod elektriny v krabici pod omietku
Rozsah dodávky
- Pripojovacie koleno z PE-HD, Ø 50 mm
- Tesnenie Ø 44 / 32 mm
- Kryt pre hrubú montáž s vekom, pre škatuľu pod omietku
- Kryt pre hrubú montáž na upevnenie pre nástennú armatúru
- Upevňovací materiál
Súprava pre predstenovú montáž nie je súčasťou dodávky, treba objednať zvlášť
(GT)Parametry
| Kód | 111.558.00.2 |
|---|
Na balenie si zakladáme! Prezrite si, ako pripravujeme a zabalíme Vašu objednávku.
