Vertikálne podlahový vpust Varín
- K pripojeniu zariaďovacích predmetov
- Na použitie vo vnútri budov
- Kontrola kvality podľa EN 1253-3
- Prívod otočný o 360 °
- prívod uzavretý
- Prívod pre pripojenie zariadení
- Výškovo nastaviteľné s predlžovacím kusom
- Norná trubka demontovateľná bez náradia
- Odolné proti nárazom
- Odolné voči chemikáliám
- Zaťažiteľnosť trieda K 3 (3 kN)
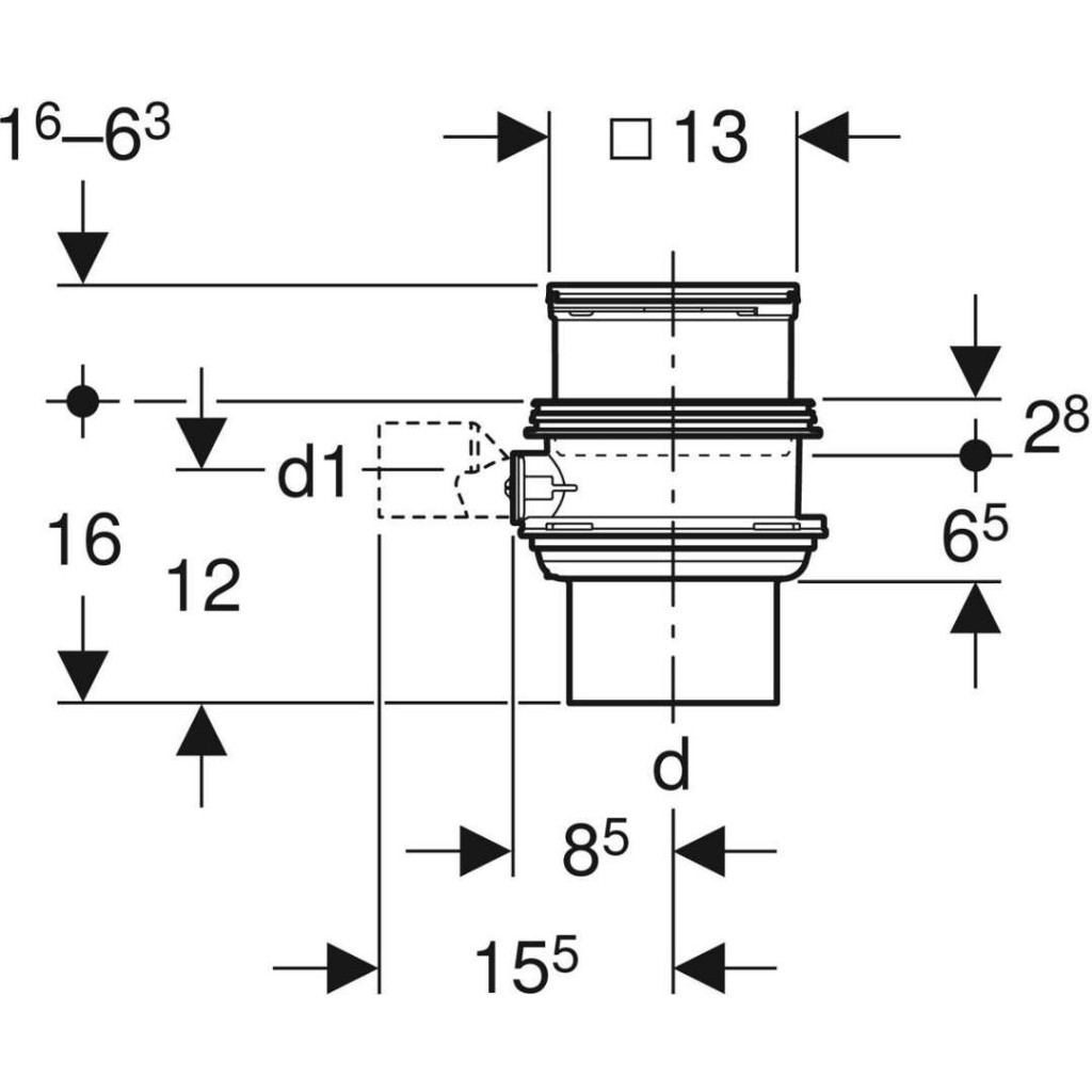
technické údaje
- Menovitý prítok: 0.8 l / s
- Prietoková kapacita: 1.6 l / s
- Výška vodného uzáveru: 50 mm
obsah dodávky
- Vtoková rúrka z PE-HD, Ø 50 mm
- Vývod z PE-HD, Ø 110 mm
- Rošt z nerezovej ocele
- norná trubka
- Kryt pre hrubú montáž
(GT)
Parametry
| Kód | 388.022.00.1 |
|---|
Na balenie si zakladáme! Prezrite si, ako pripravujeme a zabalíme Vašu objednávku.
