Ovládanie WC Geberit s elektronickým spustením splachovania, napájanie zo siete, typ 10 infračervené tlačidlo
- na ručné oddialené spustenie Sigma splachovacích nádržiek pod omietku 12 cm cez bezdotykové infračervené tlačidlo
- 2-činné splachovanie
- na osadenie do masívnej konštrukcie a konštrukcie vykonávané suchým procesom pomocou boxu pre hrubú montáž
- na osadenie do kúpeľňového nábytku pomocou kontramatice
- vhodný pre bezbariérové stavby
- pre Sigma splachovacie nádržky pod omietku 12 cm
Vlastnosti
- farba: matná čierna
- materiál: mosadz
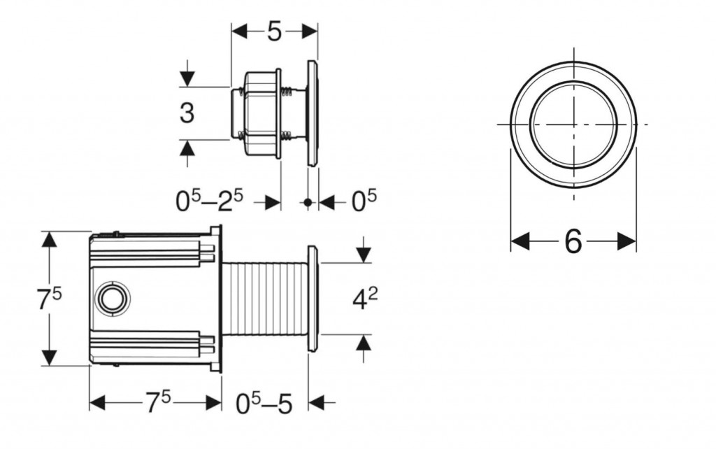
- priemer tlačidla: 60 mm
- ručné spustenie splachovania, bezdotykové
- bezdotykové spustenie 1 množstvo splachovania alebo 2 množstvo
- splachovanie priblížením ruky
- 1-činné alebo 2-činné splachovanie s možnosťou spúšťania cez ovládacie tlačidlo
- je možné kombinovať s ovládacími tlačidlami Sigma01 až Sigma60 alebo krycími doskami Geberit
- napájanie elektrickým prúdom pomocou externého sieťového zdroja
- transformácia sieťového napätia na nízke napätie 12 V DC
- prevádzka s nízkym napätím, v splachovacej nádržke žiadne sieťové napätie
- s konektormi chránenými proti prepólovaniu
- interval spláchnutia prednastavený a nastaviteľný
- nastavenie prístroja a obsluha s mobilným zariadením cez integrované rozhranie Bluetooth
- kompatibilný s aplikáciou Geberit Control App
- spojené vodičom k sieti s Geberit Gateway prostredníctvom konvertora GEBUS
- bezdrôtovo spojený k sieti s Geberit Gateway cez Bluetooth
- kompatibilný s Geberit Connect
- zdvíhací mechanizmus s nízkou hlučnosťou
- elektrické zdvíhacie zariadenie samokalibrovacie
Technické údaje
- druh ochrany IP45
- menovité napätie 85-240 V AC
- sieťová frekvencia 50-60 Hz
- prevádzkové napätie 12 V DC
- príkon ≤ 4 W
- príkon v pokoji 0.15 W
- interval preplachu, rozsah nastavenia 1-168 h
- interval spláchnutia, nastavenie vo výrobe 24 h
- interval preplachu, rozsah nastavenia 1–200 s
- interval spláchnutia, nastavenie vo výrobe 5 s
Obsah balenia
- infračervené tlačidlo
- krabice pod omietku
- counternut
- rúrková chránička dĺžka 1,7 m
- držiak so servomotorom a zdvíhacím zariadením, predmontovaný
- elektrické ovládanie
Nutné objednať zvlášť
- ovládacie tlačidlo alebo krycia doska
- Geberit Power & Connect box
- sieťový zdroj Geberit pre Power & Connect box
- sada Geberit Power & Connect boxu s deliacou priečkou s pripojovacou svorkou
(GT)
Parametry
| Kód | 115.936.14.6 |
|---|
Na balenie si zakladáme! Prezrite si, ako pripravujeme a zabalíme Vašu objednávku.
