keramický pisoár s integrovanou radarovou elektronikou pre batériové napájanie, elektromagnetickým ventil, prepojovacie hadice, rohový ventil, vtoková aramtura s tesnením, sifón, upevňovacia sada, puzdro pre batérie, napájacie batérie 4 ks AA alkalické, 1.5V, 2700 mAh
úsporné splachovanie jedným litrom vody
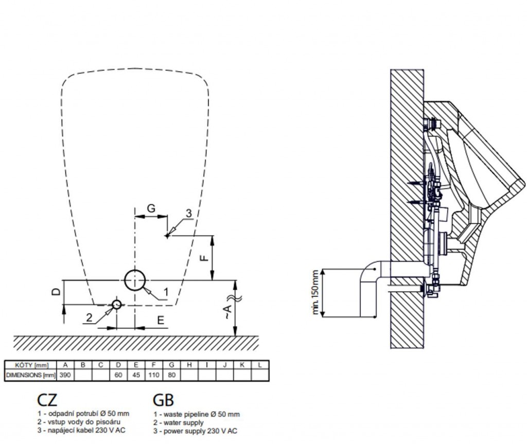
jednoduchá montáž podľa montážnej šablóny
reaguje iba na použitie pisoára (vyhodnocuje zmeny, ku ktorým dochádza vo vnútri pisoára pri prietoku kvapaliny)
doba splachovania je nastaviteľná od 0,5 do 15,5 s
vstupné oneskorenie (min. dĺžka zmien registrovaných radarovým senzorom nutná pre vyvolanie spláchnutia) je nastaviteľné od 6 do 15 s
nastavenie parametrov pomocou diaľkového ovládania SLD 04 bez nutnosti demontáže pisoára (akustická indikácia nastavovania)
samočinné spláchnutie po 6 hodinách od posledného zopnutia ventilu
možnosť regulácie prietoku vody rohovým ventilom
po spláchnutí vykoná splachovač krátke doplnenie vody do sifónu
Napájacie napätie: 6V
Príkon: 1,4 W
Doporučený pracovný tlak: 0,1 - 0,6 MPa
Prietok: 12 l / min. (Inf. Údaj)
Vstup vody: vonkajší závit G 1/2 "
Výstup vody: výtoková armatúra s tesnením
(GT)
Parametry
| Kód | SLP 31RB |
|---|
Na balenie si zakladáme! Prezrite si, ako pripravujeme a zabalíme Vašu objednávku.
