keramický pisoár s integrovanou radarovou elektronikou, montážna plastová krabica so skrutkovaním, elektromagnetickým ventilom a guľovým ventilom, výtoková armatúra s tesnením, sifón, upevňovacia sada, plastový poklop, napájacie batérie (4 ks AA alkalické, 1.5V, 2700 mAh)
úsporné splachovanie jedným litrom vody
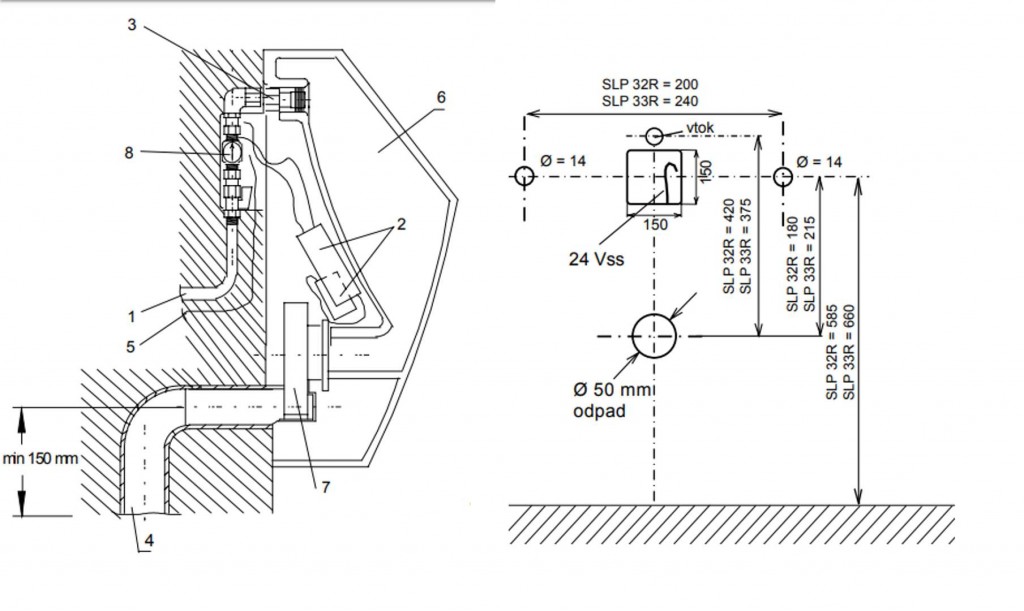
reaguje iba na použitie pisoára (vyhodnocuje zmeny, ku ktorým dochádza vo vnútri pisoára pri prietoku kvapaliny)
doba splachovania je nastaviteľná od 0,5 do 15,5 s
vstupné oneskorenie (min. dĺžka zmien registrovaných radarovým senzorom nutná pre vyvolanie spláchnutia) je nastaviteľné od 6 do 15 s
nastavenie parametrov pomocou diaľkového ovládania SLD 04 bez nutnosti demontáže pisoára (akustická indikácia nastavovania)
samočinné spláchnutie po 6 hodinách od posledného zopnutia ventilu
možnosť regulácie prietoku vody rohovým ventilom
po spláchnutí vykoná splachovač krátke doplnenie vody do sifónu
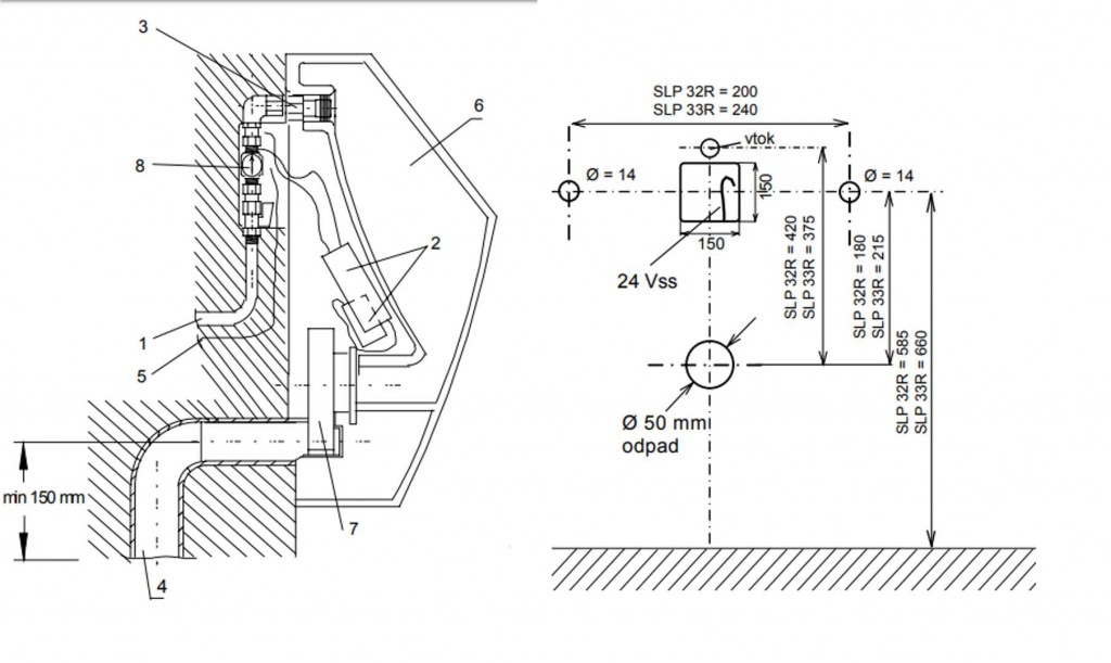
Rozmer montážnej krabice: cca 140 x 140 x 75 mm
Napájacie napätie: 6V
Príkon: 1,4 W
Doporučený pracovný tlak: 0,1 - 0,6 MPa
Prietok: 12 l / min. (Inf. Údaj)
Vstup vody: vonkajší závit G 3/4 "
Výstup vody: výtoková armatúra s tesnením
(GT)
Parametry
| Kód | SLP 32RB |
|---|
Na balenie si zakladáme! Prezrite si, ako pripravujeme a zabalíme Vašu objednávku.
