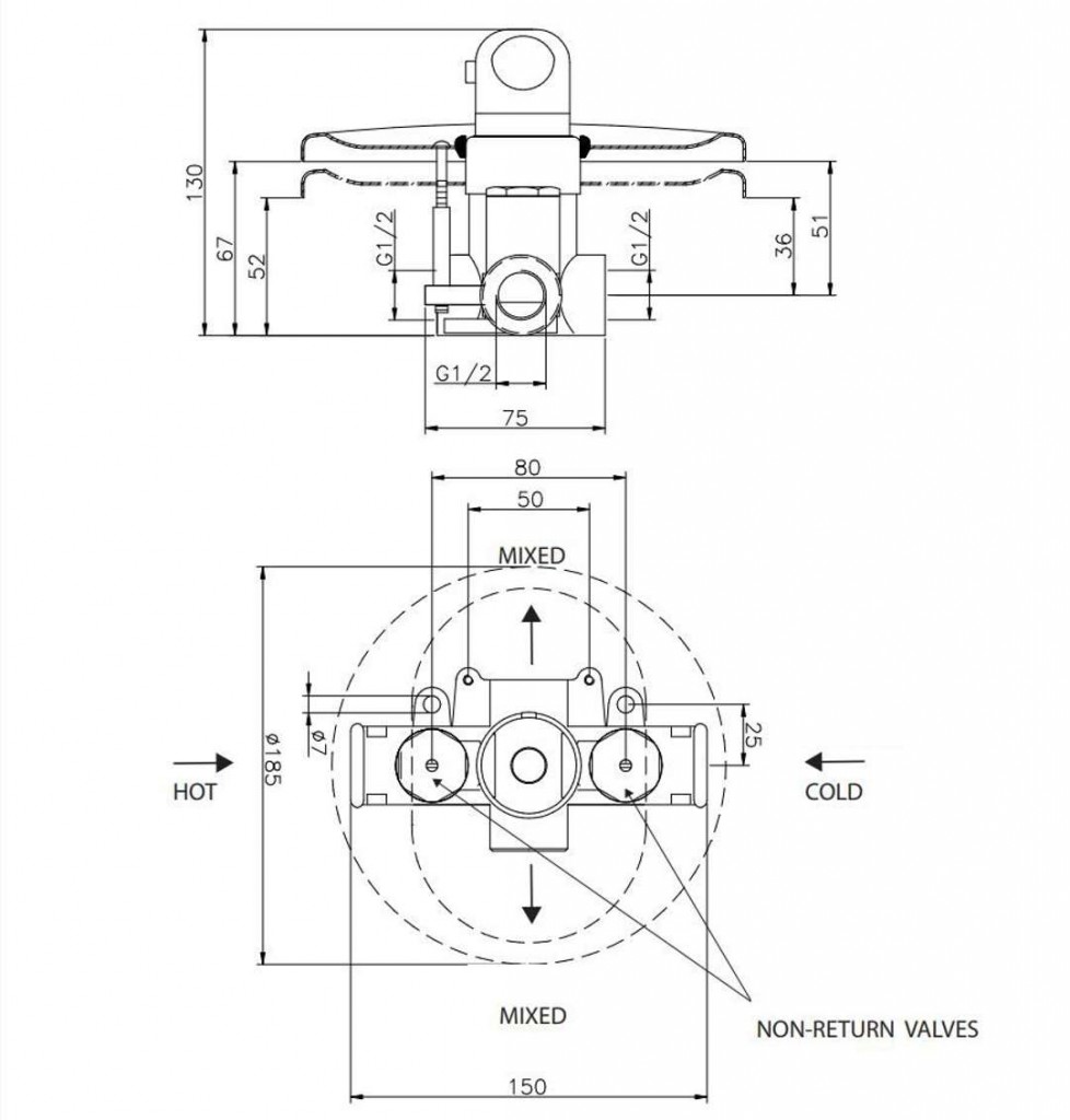
Termostatická podomietková batéria
- všetky pripojenia: G 1/2 "
- prietok 42 l / min pri tlaku 0,1 MPa
- ovládacia rukoväť pre reguláciu teploty
- nastaviteľná teplota vody: 20-50 ° C
- pre správnu funkciu je potrebné, aby tlaky v oboch prívodných potrubiach boli rovnaké
- pred zmiešavacou batériou je nutné nainštalovať spätné ventily
- uzavretie teplej vody pri výpadku studenej vody: do 1 s
(GT)
Parametry
| Kód | SLT 05 |
|---|
Na balenie si zakladáme! Prezrite si, ako pripravujeme a zabalíme Vašu objednávku.
