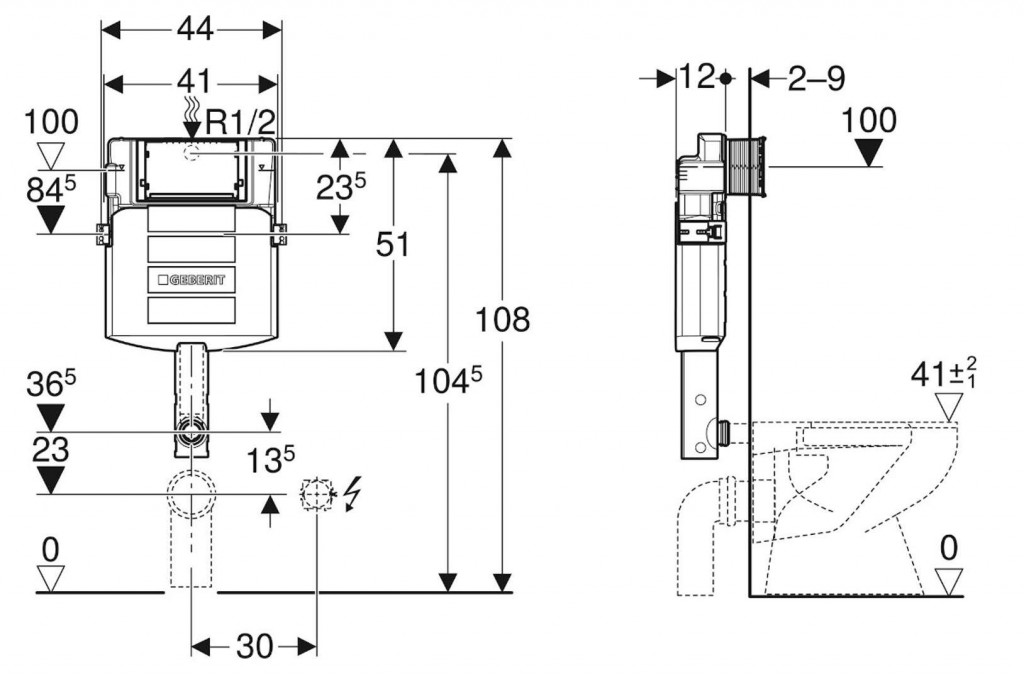
Splachovacia nádržka Sigma 12 cm, s podomietkovú inštaláciou
- Pre murované steny
- K montáži do predstenových inštalácií čiastočne vysokých alebo vysokých na výšku miestnosti
- K montáži do inštalačných stien vysokých na výšku miestnosti
- Pre stojace a závesné WC
- Pre 1 množstvo splachovanie, 2 množstvo splachovanie alebo splachovanie Start / Stop
vlastnosti
- Splachovacia nádržka pod omietku s ovládaním spredu
- Splachovacia nádržka pod omietku s izoláciou proti orosovaniu
- U nastavenie z výroby je možné okamžité dodatočné spláchnutí
- Splachovacie koleno zasunuté
- Montážne a servisné práce na splachovacej nádržke pod omietku bez náradia
- Prívod vody vzadu alebo hore uprostred
- Kryt pre hrubú montáž pre servisný otvor chráni pred vlhkosťou a nečistotami
- Kryt pre hrubú montáž pre servisný otvor s možnosťou skrátenia
technické údaje
- Tlak pri prietoku: 10-1000 kPa
- Maximálna teplota vody: 25 ° C
- Splachovacie množstvo, nastavenie vo výrobe: 6 a 3 l
- Veľké splachovacie množstvo, rozsah nastavenia: 4.5 / 6 / 7.5 l
- Malé splachovacie množstvo, rozsah nastavenia: 3-4 l
obsah dodávky
- Prívod vody R 1/2 ", vhodný pre MF, s integrovaným rohovým ventilom a ručným ovládacím kolieskom
- Kryt pre hrubú montáž pre servisný otvor
- Splachovacie koleno s izolačnými dielmi
- ochranná zátka
- 2 pásová železa s výrezmi
- 2 upevňovacie uholníky
- upevňovací materiál
- Bez ovládacieho tlačidla splachovania
(GT)
Parametry
| Kód | 109.300.00.5 |
|---|
Na balenie si zakladáme! Prezrite si, ako pripravujeme a zabalíme Vašu objednávku.
