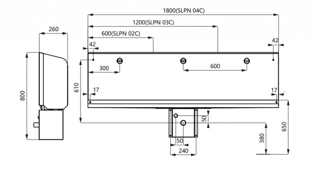
nerezový pisoárový žľab 1800 mm - 3 nerezové výtokové hlavice, čidlo s elektronikou, elektromagnetický ventil (1 ks), rohový ventil, úchytková sada, kryt na sifón, sifón
antivandalové prevedenie
nerezové pisoárové žľaby so skrytým automatickým splachovaním a splachovacie hlavicou
pre zavesenie na stenu
žľaby sú dodávané v dĺžkach 600, 1200, 1800 a 2400 mm
dĺžkam zodpovedá počet vstavaných hlavíc umiestnených v hornej časti žľabu
k spláchnutiu dôjde po použití žľabu
doba splachovania je nastaviteľná od 0,5 do 15,5 s
samočinné spláchnutie po 24 hodinách od posledného zopnutia ventilu
žľaby je možné na zákazku vyrobiť v požadovanej dĺžke
materiál CrNi 18/10 (AISI-304)
povrch matný
Napájacie napätie: 24V DC
Príkon: 7 W
Doporučený pracovný tlak: 0,1 - 0,6 MPa
Prietok: 12 l / min. (Inf. Údaj)
Vstup vody: vonkajší závit G 1/2 "
Hrúbka plechu: 1,5 mm
(GT)
Parametry
| Kód | SLPN 04C |
|---|
Na balenie si zakladáme! Prezrite si, ako pripravujeme a zabalíme Vašu objednávku.
