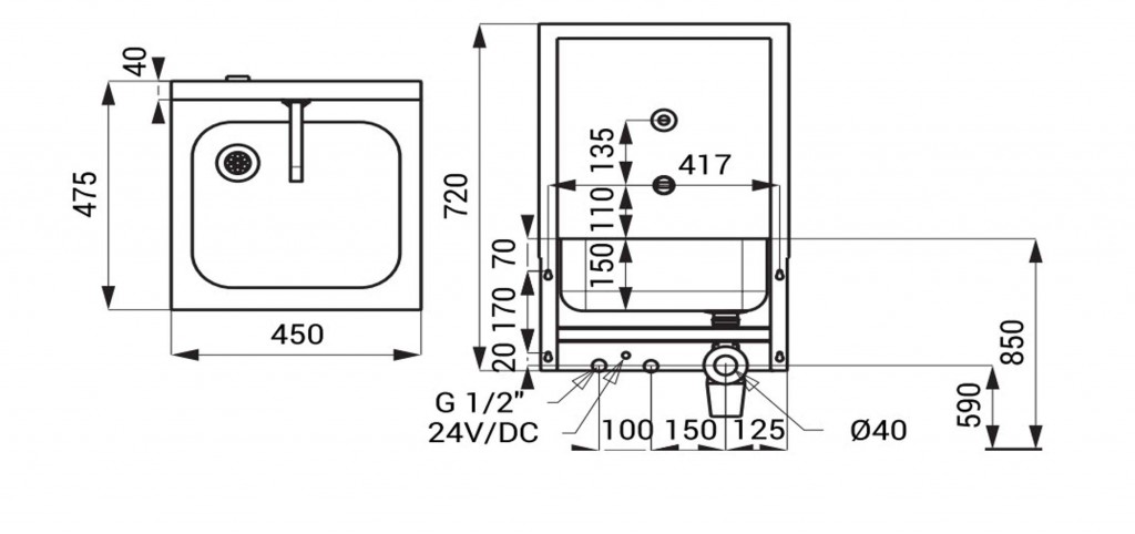
nerezový drez s elektronikou a výtokom, termostatickým ventilom, elektromagnetický ventil (1ks), Y-diel, prepojovacie hadice, rohový ventil so spätnou klapkou (2ks), sifón, úchytková sada
drez so zadnou stenou a zabudovanou elektronikou
elektronika reaguje na prítomnosť rúk okamžitým spustením vody
k vypnutiu vody dôjde po vybratí rúk po uplynutí nastavenej doby (možné nastaviť diaľkovým ovládačom v rozsahu 0,25 - 7,75 s)
regulácia teploty sa vykonáva rohovými ventilmi alebo pomocou termostatického zmiešavacieho ventilu s poistkou
materiál CrNi 18/10 (AISI-304)
povrch matný
Napájacie napätie: 24V DC
Doporučený pracovný tlak: 0,1 - 0,6 MPa
Prietok: 12 l / min. (Inf. Údaj)
Vstup vody: vonkajší závit G 1/2 "
Nastavenie teploty vody: termostatickým ventilom
(GT)
Parametry
| Kód | SLUN 04ET |
|---|
Na balenie si zakladáme! Prezrite si, ako pripravujeme a zabalíme Vašu objednávku.
