Sanitárny modul Geberit Monolith pre závesné WC, 114 cm, čelo z kameniny
Účel použitia
- pre renovácie, prestavby a novostavby
- na pripojenie na stenu s výškou odpadu > 23 cm
- na výmenu nízko položených splachovacích nádržiek na omietku
- na výmenu stredne položených splachovacích nádržiek na omietku
- na výmenu závesných WC so splachovacou nádržkou umiestnenou na WC mise
- na výmenu závesných WC s tlakovým splachovačom
- na výmenu závesných WC so splachovacou nádržkou pod omietku s maximálnou výškou servisného otvoru
- pre Geberit AquaClean kompletné WC
- na pripojenie WC sedadiel Geberit AquaClean, s príslušenstvom
- na montáž na hotové podlahy
- na montáž pred steny vykonávané suchým procesom a masívne steny
- na vyrovnanie vyosenia medzi WC pripojením a odtokmi v stene cez pripojovacie rúrky pre závesné WC
Vlastnosti
- 2-činné splachovanie, množstvo nastaviteľné
- samonosný
- možné vyrovnanie stavebných tolerancií
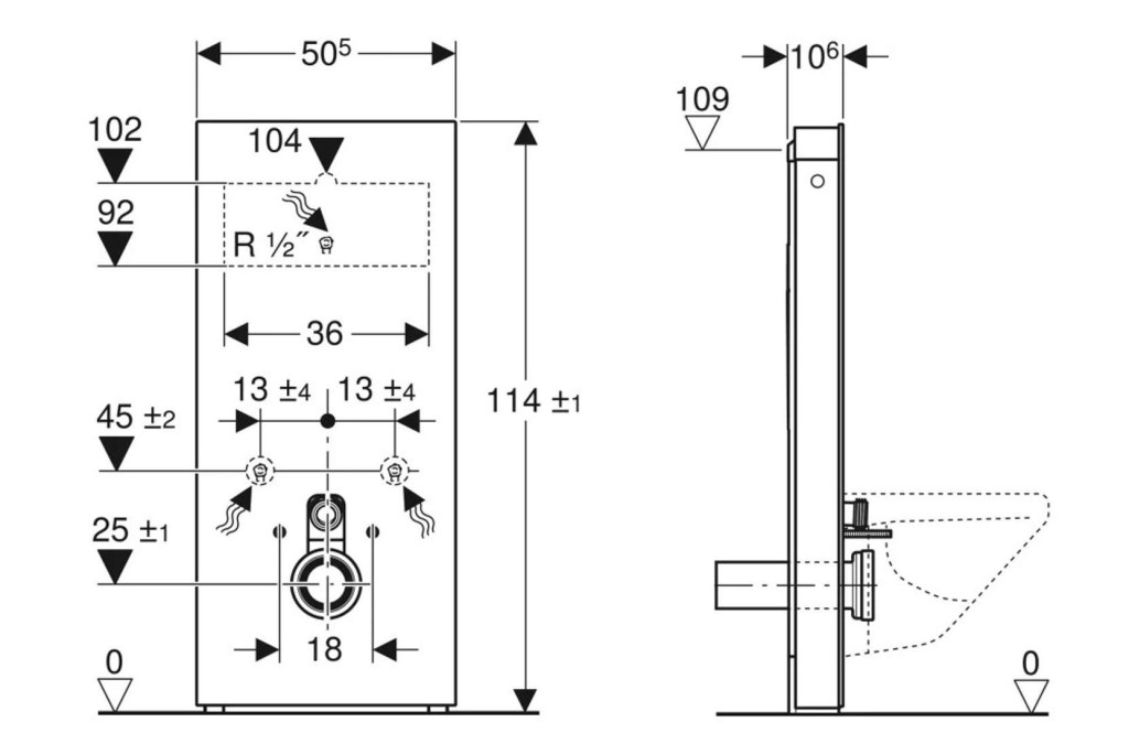
- montážna výška nastaviteľná až o 7 cm
- výška upevnenia WC keramiky 35 ± 1 cm
- splachovacia nádržka izolovaná proti roseniu
- bočné opláštenie: hliník
- čelné opláštenie: kamenina betónový vzhľad
- spodný prívod vody, vzadu uprostred
- bočný prívod vody s príslušenstvom možný
Technické parametre
- tlak pri prietoku: 10–1000 kPa
- maximálna teplota vody: 25 °C
- splachovacie množstvo, nastavenie vo výrobe: 6 a 3 l
- veľké splachovacie množstvo, rozsah nastavenia: 4,5/6 l
- malé splachovacie množstvo: 3 l
- výpočtový prietok: 0,11 l/s
- minimálny pretlak pre výpočtový prietok 50 kPa
Obsah dodávky
- súprava na pripojenie vody s 2 rohovým ventilom 1/2"
- predĺženie pripojovacej súpravy 160 mm
- manžeta z EPDM, Ø 44/55 mm
- pripojovacie koleno P z PP, Ø 90 mm
- prechodka z PE-HD, Ø 90/110 mm
- 2 závitové tyče M12
- kryt podstavca
- oporný rám
- upevňovací materiál pre stenu vykonávanú suchým procesom
- upevňovací materiál pre montáž pred splachovacie nádržky pod omietku
- upevňovací materiál
Kombinovateľné so závesnými WC zo série iCon, Selnova, AquaClean - Mera Comfort, Mera Classic, Sela, Tuma Comfort, Tuma Classic.
(GT)Parametry
| Kód | 131.031.JV.5 |
|---|
Na balenie si zakladáme! Prezrite si, ako pripravujeme a zabalíme Vašu objednávku.
