So sanitárnym modulom Geberit Monolith pre WC vytvoríte kúpeľňu s čistým a kvalitným dizajnom. Vďaka jedinečnému spojenie špičkového vzhľadu a funkčnosti ponúka tento modul oveľa viac, než je zrejmé na prvý pohľad. Je možné ho kombinovať s väčšinou bežne dostupných WC mís a rýchlo ho napojiť na existujúce potrubné rozvody bez nutnosti väčších zásahov do stavebnej konštrukcie. Tento modul tiež ďalej ponúka ekologicky šetrnú technológiu splachovanie dvojakom množstvom vody a možno k nemu použiť rôzne stojace alebo závesné WC misy, vybrať si môžete z dvoch výškových vyhotovení (101 a 114 cm). Elegantný čelný panel je vyrobený zo skla a lešteného hliníka v niekoľkých farebných variáciách: čiernej, bielej, mätovo zelenej, hnedej a pieskovej.
technické parametre
- Tlak pri prietoku: 10-1000 kPa
- Maximálna teplota vody: 25 ° C
- Splachovacie množstvo, nastavenie vo výrobe: 6 a 3 l
- Veľké splachovacie množstvo, rozsah nastavenia: 4,5 / 6 l
- Malé splachovacie množstvo: 3 l
- Výpočtový prietok: 0,11 l / s
- Minimálny pretlak pre výpočtový prietok: 50 kPa
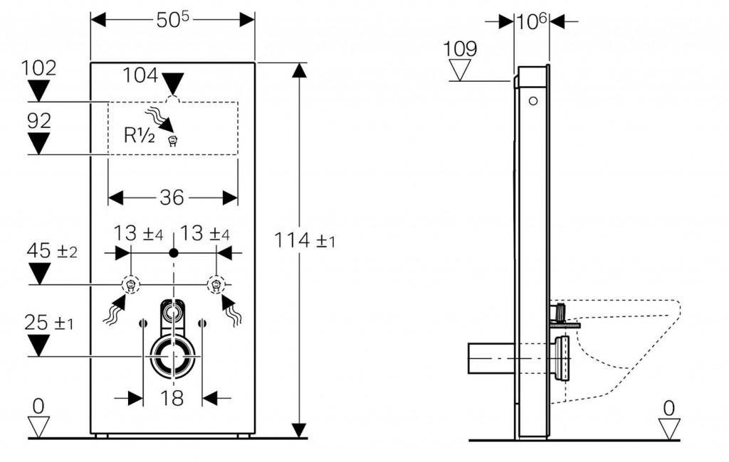
- Rozmery uvedené v technickom obrázku
Účel použitia:
- Pre renovácie, prestavby a novostavby
- Pre pripojenie na stenu s výškou odpadu> 23 cm
- K výmene nízko položených splachovacích nádržiek na omietku
- K výmene závesných WC sa splachovacie nádržkou umiestnenou na WC mise
- K výmene závesných WC s tlakovým splachovačom
- K výmene závesných WC sa splachovacie nádržkou pod omietku s maximálnou výškou servisného otvoru
- Pre Geberit AquaClean kompletné WC
- Na pripojenie WC sedadiel Geberit AquaClean, s príslušenstvom
- K montáži na hotové podlahy
- K montáži cez steny vykonávané suchým procesom a masívne steny
- Na vyrovnanie vyosenie medzi WC pripojením a odtoky steny cez pripojovacie rúrky pre závesná WC
vlastnosti:
- 2 možnosti splachovanie, množstvo nastaviteľné
- Možné vyrovnanie stavebných tolerancií
- Čelné opláštenie zo skla (ESG)
- Výška upevnenia WC keramiky 35 ± 1 cm
- Splachovacia nádržka izolovaná proti orosovaniu
- Bočné opláštenie z brúseného hliníka
- samonosný
- Splachovacie množstvo nastaviteľné
- Prívod vody vzadu uprostred
- Bočné prívod vody s príslušenstvom možný
- Prívod vody spodné
Rozsah dodávky:
- Súprava pre pripojenie vody s 2 rohovými ventilmi 1/2 "
- Predĺženie pripojovacie súpravy 160 mm
- Manžeta z EPDM, ø 44/55 mm
- Pripojovacie rúrka z PE-HD, ø 90 mm
- Prechodka z PE-HD, ø 90/110 mm
- závitové tyče M12
- Súprava pre tlmenie hluku
- kryt podstavca
- Upevňovací materiál pre stenu vykonávanú suchým procesom
- upevňovací materiál
ilustratívne foto
(GT)Parametry
| Kód | 131.031.SI.5 |
|---|
Na balenie si zakladáme! Prezrite si, ako pripravujeme a zabalíme Vašu objednávku.
