So sanitárnym modulom Geberit Monolith pre WC vytvoríte kúpeľňu s čistým a kvalitným dizajnom. Vďaka jedinečnému spojenie špičkového vzhľadu a funkčnosti ponúka tento modul oveľa viac, než je zrejmé na prvý pohľad. Je možné ho kombinovať s väčšinou bežne dostupných WC mís a rýchlo ho napojiť na existujúce potrubné rozvody bez nutnosti väčších zásahov do stavebnej konštrukcie. Tento modul tiež ďalej ponúka ekologicky šetrnú technológiu splachovanie dvojakom množstvom vody a možno k nemu použiť rôzne stojace alebo závesné WC misy, vybrať si môžete z dvoch výškových vyhotovení (101 a 114 cm). Elegantný čelný panel je vyrobený zo skla a lešteného hliníka v niekoľkých farebných variáciách: čiernej, bielej, mätovo zelenej, hnedej a pieskovej.
technické parametre
- Tlak pri prietoku: 10-1000 kPa
- Maximálna teplota vody: 25 ° C
- Splachovacie množstvo, nastavenie vo výrobe: 6 a 3 l
- Veľké splachovacie množstvo, rozsah nastavenia: 4,5 / 6 l
- Malé splachovacie množstvo: 3 l
- Výpočtový prietok: 0,11 l / s
- Minimálny pretlak pre výpočtový prietok: 50 kPa
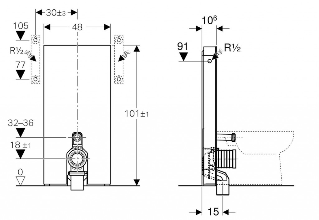
- Rozmery uvedené v technickom obrázku
Účel použitia:
- Pre podlahová pripojenie
- Pre renovácie, prestavby a novostavby
- Pre pripojenie na stenu s výškou odpadu 18 cm
- Pre stojace WC s odpadovým kolenom P as výškou prívodu splachovacej vody 32-36 cm od podlahy (EN 33)
- K výmene nízko položených splachovacích nádržiek na omietku
- K výmene stojacich WC sa splachovacie nádržkou umiestnenou na WC mise
- Na pripojenie Geberit AquaClean Sela, stojace WC
- Na pripojenie WC sedadiel Geberit AquaClean, s príslušenstvom
- K montáži na hotové podlahy
- K montáži cez steny vykonávané suchým procesom a masívne steny
vlastnosti:
- 2 možnosti splachovanie, množstvo nastaviteľné
- Možné vyrovnanie stavebných tolerancií
- Čelné opláštenie zo skla (ESG)
- Splachovacia nádržka izolovaná proti roseniu
- Bočné opláštenie z brúseného hliníka
- samonosný
- Bočné prívod vody
- Spodný prívod vody s príslušenstvom možný
Rozsah dodávky:
- Súprava pre pripojenie vody s rohovým ventilom R 1/2 "
- Predĺženie pripojovacie súpravy 160 mm
- Manžeta z EPDM, ø 44/55 mm
- Pripojovacie koleno P z PP, ø 90 mm
- Prechodka z PE-HD, ø 90/110 mm
- kryt podstavca
- Upevňovací materiál pre stenu vykonávanú suchým procesom
- upevňovací materiál
ilustratívne foto
(GT)Parametry
| Kód | 131.003.SL.5 |
|---|
Na balenie si zakladáme! Prezrite si, ako pripravujeme a zabalíme Vašu objednávku.
