Kompletný inštalačné set pre závesné WC
- AQUABLADE® inovatívne technológie splachovania
- SoftClose mechanizmus pozvoľného sklápanie sedátka
- tento inštalačné set je dostupný aj v ďalších variantoch prevedení ovládacieho tlačidla
obsahuje
- predstenový inštalačný prvok Geberit Kombifix (110.302.00.5), sa splachovacou nádržkou pod omietku Sigma 12 cm
- súpravu pre tlmenie hluku (SP 156SET)
- závesné WC Ideal Standard Tesi (T354601)
- ultraploché WC sedátko Ideal Standard Tesi (T352701)
- 2-činné ovládacie tlačidlo Geberit Sigma30, biela / chróm (115.883.KJ.1)
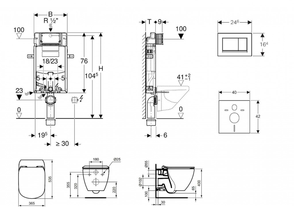
Montážny prvok Kombifix pre závesné WC so splachovacou nádržkou pod omietku Sigma 12 cm
účel použitia
- pre murované steny
- na montáž do predstenových inštalácií čiastočne vysokých alebo vysokých na výšku miestnosti
- pre závesná WC s pripojovacími rozmermi podľa EN 33: 2011
- pre 1 množstvo splachovanie, 2 množstvo splachovanie alebo splachovanie Start / Stop
vlastnosti
- montážny rám s práškovou farbou
- montážny rám so štyrmi upevňovacími uholníky
- pripojovacie koleno na montáž bez náradia
- upevnenie pripojovacieho kolena možno inštalovať spredu bez náradia
- splachovacia nádržka pod omietku s ovládaním spredu
- splachovacia nádržka pod omietku izolovaná proti orosovaniu
- u nastavenie z výroby je možné okamžité dodatočné spláchnutí
- montážne a servisné práce na splachovacej nádržke pod omietku bez náradia
- prívod vody vzadu alebo hore uprostred
- kryt pre hrubú montáž pre servisný otvor chráni pred vlhkosťou a nečistotami
- kryt pre hrubú montáž pre servisný otvor s možnosťou skrátenia
- vybavený rúrkovou chráničkou pre prívodné potrubie na pripojenie sprchovacích WC Geberit AquaClean
- s možnosťou upevnenia pre prívod elektriny
technické údaje
- tlak pri prietoku: 10-1000 kPa
- maximálna teplota vody: 25 ° C
- splachovacie množstvo, nastavenie vo výrobe: 6 a 3 l
- veľké splachovacie množstvo, rozsah nastavenia: 4.5 / 6 / 7.5 l
- malé splachovacie množstvo, rozsah nastavenia: 3-4 l
obsah dodávky
- prívod vody R 1/2 ", vhodný pre MF, s integrovaným rohovým ventilom a ručným ovládacím kolieskom
- kryt pre hrubú montáž pre servisný otvor
- pripojovacia súprava pre WC, Ø 90 mm
- pripojovacie koleno Ø 90/110 mm
- 2 ochranné zátky
- 2 závitové tyče M12
- upevňovací materiál
Set závesného WC a ultra plochého sedátka
závesný klozet
- s inovatívnou splachovacie technológiou AQUABLADE®
- pre podomietkovú nádržku sa splachovacie kapacitou od 4,5 l
- inštalácie: s podomietkovým modulom do steny alebo do sadrokartónovej priečky
- rozmery: 360 x 400 x 530 mm
- materiál: sanitárna keramika
- skryté upevnenie
- glazovaný kruh
- hlboké splachovanie
WC sedátko
- s funkciou pomalého sklápanie SoftClose
- farba: biela
- ľahko odnímateľné pre ľahkú údržbu
Ovládacie tlačidlo Sigma30, pre 2 množstvo splachovanie
- rozmery: 246 x 164 mm
- materiál: plast
- farba prevedenie: biela / chróm
- na ovládanie splachovania u splachovacích nádržiek Geberit Sigma
- upevňovací rámik
- 2 nastaviteľné úchytky
- 2 tyčky tlačidla
- tyčky tlačidlá sú zvukovo izolované, rýchle nastavenie bez náradia
(GT)
Parametry
| Kód | 110.302.00.5 NU5 |
|---|
Na balenie si zakladáme! Prezrite si, ako pripravujeme a zabalíme Vašu objednávku.
