Montážny prvok Kombifix pre závesné WC so splachovacou nádržkou pod omietku Omega 12 cm
účel použitia
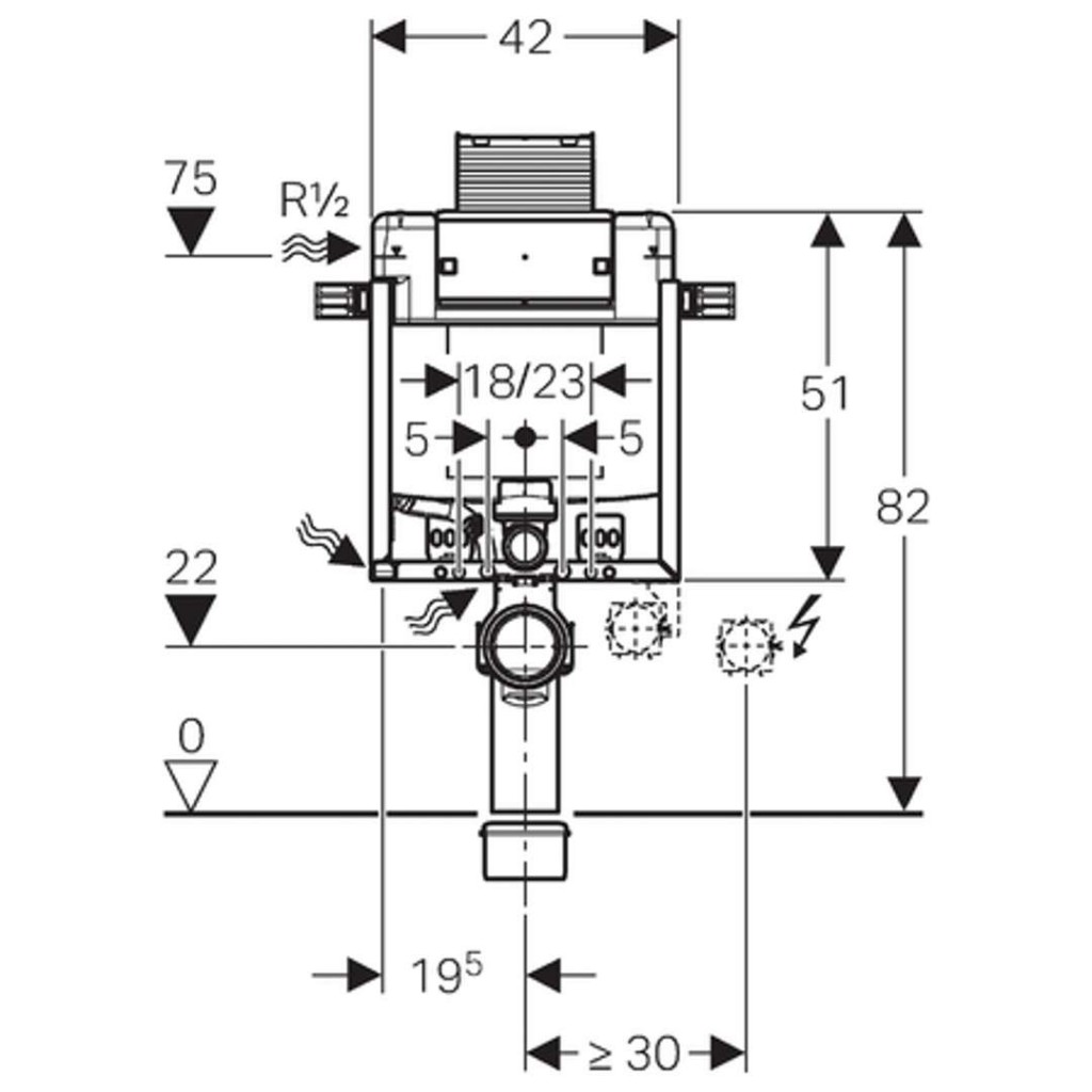
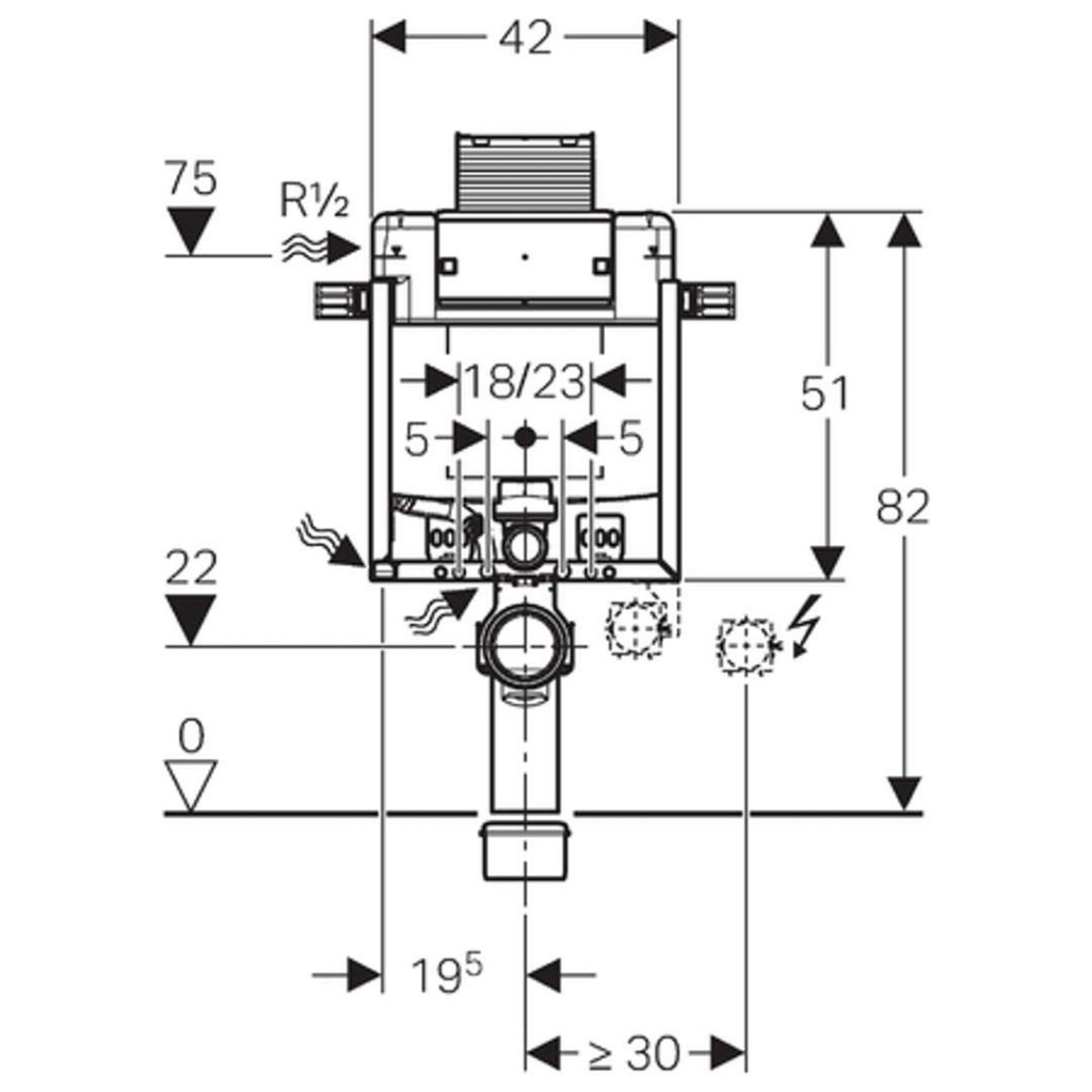
- Pre montáž závesného WC so vzdialenosťou upevnenia 18 cm alebo 23 cm
- Pre zabudovanie mokrým procesom do murovanej predstenovej inštalácie
- Pre murované steny
- Pre zabudovanie do čiastočne vysokej predstenovej inštalácie
- Pre 2 množstvo splachovanie
- Nevhodný pre zabetónovanie
- Nevhodný pre zabudovanie do ľahkých priečok
vlastnosti
- Povrch rámu upravený práškovou farbou, so 4 pripevňovacími uholníky
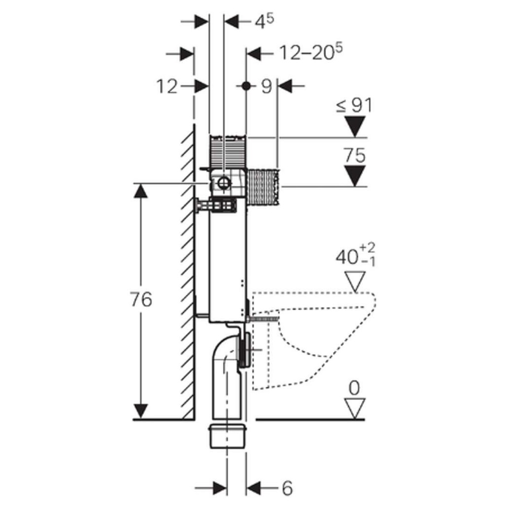
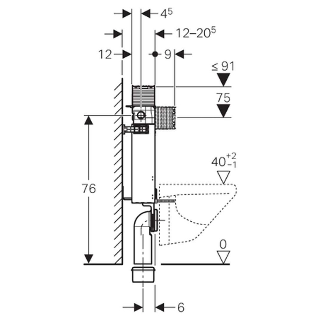
- Nastaviteľná montážna hĺbka, 12-20.5 cm
- Odpadové pripojovacie koleno pre montáž bez náradia
- Upevnenie pripojovacieho kolena možno montovať spredu bez náradia
- Splachovacia nádržka pod omietku s ovládaním zhora alebo spredu, izolácia proti orosovaniu
- Nastaviteľné splachovacie množstvo
- Splachovacia nádržka pod omietku pre montáž a servisné práce bez náradia
- Prívod vody z boku, vľavo alebo vzadu vľavo
- Kryt pre hrubú montáž chráni servisný otvor proti vlhkosti a nečistotám
- Kryt pre hrubú montáž pre servisný otvor s možnosťou skrátenia
- Vybavený rúrkovou chráničkou pre prívod vody pre Geberit AquaClean
technické informácie
- Výpočtový prietok: 0,11 l / s
- Minimálny tlak pri prietoku: 0.05 MPa
- Minimálny tlak pri prietoku: 50 kPa
- Rozsah tlaku vody: 0.01-1.0 MPa
- Rozsah tlaku vody: 10-1000 kPa
- Maximálna prevádzková teplota vody: 25 ° C
- Splachovacie množstvo nastavení z výroby: 6 a 3 l
- Veľké splachovacie množstvo rozsah nastavenia: 4,5 / 6 / 7,5 l
- Malé splachovacie množstvo rozsah nastavenia: 3-4 l
rozsah dodávky
- Prívod vody R 1/2, vhodný pre MeplaFix, s integrovaným rohovým ventilom a ručným ovládacím kolieskom
- Kryt pre hrubú montáž pre servisný otvor
- Súprava pre pripojenie WC, ø 90 mm
- Odpadové koleno pre WC, PE-HD, ø 90 mm
- Prechodka, PE-HD, ø 90/110 mm
- 2 ochranné zátky
- Súprava pre tlmenie hluku
- 2 závitové tyče M12
- upevňovací materiál
- Neobsahuje: Ovládacie tlačidlo
(GT)
Parametry
| Kód | 110.000.00.1 |
|---|
Na balenie si zakladáme! Prezrite si, ako pripravujeme a zabalíme Vašu objednávku.
