Set obsahuje
- predstenový inštalačný modul Geberit Duofix so splachovacou nádržkou pod omietku
- keramický závesný klozet kielle Oudee so sedátkom SoftClose
- ovládacie tlačidlo Geberit Sigma20 pre 2-činné splachovanie
- súpravu na tlmenie hluku
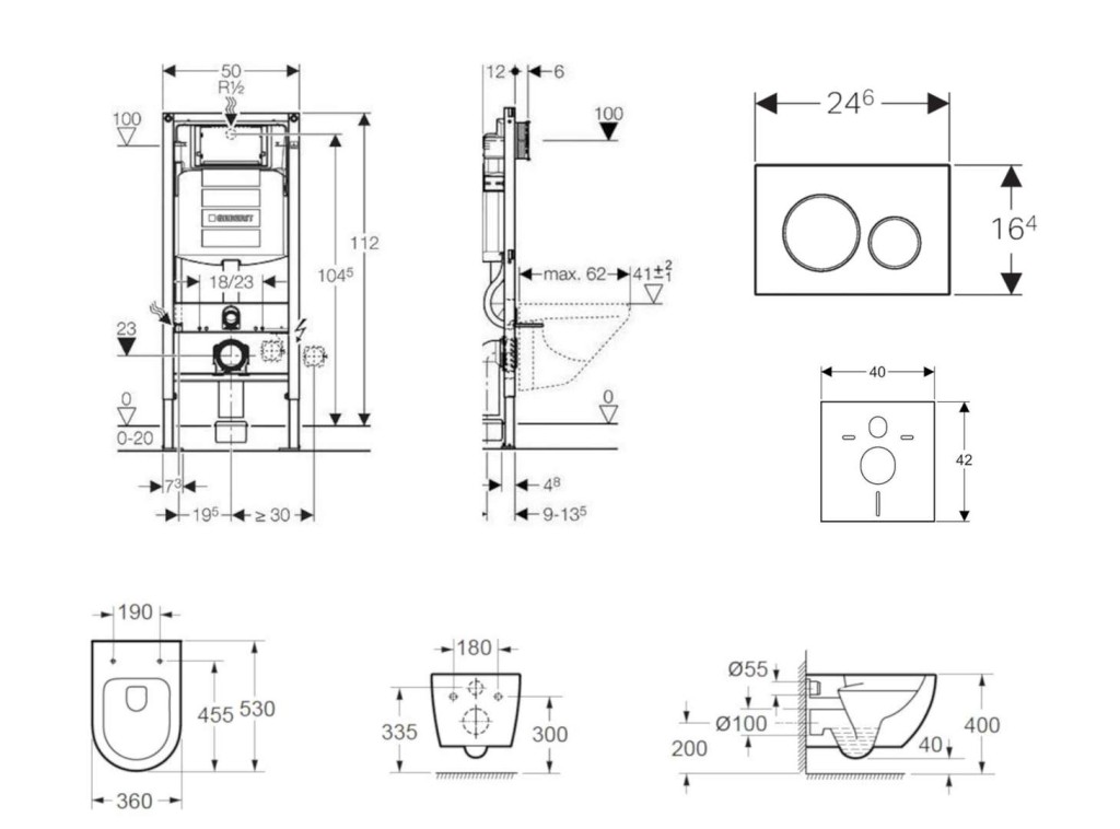
Predstenový inštalačný modul Duofix pre závesné WC so splachovacou nádržkou Sigma 12 cm
- pre konštrukcie vykonávané suchým procesom
- na montáž do predstenových inštalácií čiastočne vysokých alebo vysokých na výšku miestnosti
- na montáž do inštalačných stien vysokých na výšku miestnosti
- na montáž do systémových stien Geberit Duofix čiastočne vysokých alebo vysokých na výšku miestnosti
- pre závesné WC s pripojovacími rozmermi podľa EN 33:2011
- pre závesné WC s vyložením do 62 cm
- pre 1-činné, 2-činné alebo Štart/Stop splachovanie
- pre hrúbky podlahy 0–20 cm
Vlastnosti a technické údaje
- samonosný rám s nanesenou práškovou farbou
- rám s vŕtanými otvormi Ø 9 mm na upevnenie do drevenej konštrukcie
- rám pripravený na podpery na WC keramikách s malou opornou plochou
- podpery pozinkované, nastaviteľné 0–20 cm, s protišmykovou úpravou
- pätné dosky otočné
- hĺbka pätovej dosky vhodná na montáž do U profilov UW 50 a UW 75 a do systémových profilov Geberit Duofix
- pripojovacie koleno pre montáž bez náradia v rôznych hĺbkach, rozsah nastavenia 45 mm
- upevnenie pripojovacieho kolena zvukovo izolované
- splachovacia nádržka pod omietku s ovládaním spredu, izolovaná proti orosovaniu
- pri nastavení z výroby je možné okamžité dodatočné spláchnutie
- montážne a servisné práce na splachovacej nádržke pod omietku bez náradia
- prívod vody vzadu alebo hore uprostred
- kryt pre hrubú montáž pre servisný otvor chráni pred vlhkosťou a nečistotami, s možnosťou skrátenia
- vybavené rúrkovou chráničkou pre prívodné potrubie na pripojenie sprchovacích WC Geberit AquaClean
- s možnosťou upevnenia pre prívod elektriny
- tlak pri prietoku: 10-1000 kPa
- maximálna teplota vody: 25 °C
- splachovacie množstvo, nastavenie vo výrobe: 6 a 3 l
- veľké splachovacie množstvo, rozsah nastavenia: 4.5 / 6 / 7.5 l
- malé splachovacie množstvo, rozsah nastavenia: 3-4 l
- výpočtový prietok: 0.11 l/s
- minimálny pretlak pre výpočtový prietok: 50 kPa
Rozsah dodávky
- prívod vody R 1/2", vhodný pre MF, s integrovaným rohovým ventilom a ručným ovládacím kolieskom
- kryt pre hrubú montáž pre servisný otvor
- 2 ochranné zátky
- pripojovacia súprava pre WC, Ø 90 mm
- pripojovacie koleno 90° z PE-HD, Ø 90 mm
- prechodka z PE-HD, Ø 90/110 mm
- 2 závitové tyče M12
- upevňovací materiál
Závesné WC Oudee
- farba: biela
- rozmery: 360 x 530 mm
- Rimless bezokrajové prevedenie
- skryté upevnenie
- hlboké splachovanie
- splachovací objem 4/6 l
WC sedátko
- farba: biela
- s funkciou pomalého sklápania SoftClose
- ľahko odnímateľné pre ľahkú údržbu
Dvojčinné ovládacie tlačidlo Sigma20
- rozmery: 246 x 164 x 15 mm
- materiál: plast
- prevedenie: biela, designové krúžky: pozlátená
- na ovládanie splachovania nádržiek pod omietku Geberit Sigma
- manuálne ovládanie spredu, ovládacia sila:
- úsporné 2-činné splachovanie
Rozsah dodávky
- upevňovací rámček
- sada pripojovacích tyčiek tlačidla - zvukovo izolované, rýchle nastavenie bez použitia náradia
- 2 nastaviteľné úchytky
Príslušenstvo
- tlačidlo je možné kombinovať s jednotkou odsávania zápachu - dávkovač tyčiniek DuoFresh (je potrebné objednať samostatne)
Protihluková sada
- pre závesné WC alebo závesný bidet
- pre montáž keramiky so vzdialenosťou upevnenia 18 cm alebo 23 cm
- prerušuje prenos hluku pri WC a bidete
- materiál: polyetylén-pena
- obsahuje: 1x zvukovo izolačnú vložku, 2x podložku
(GT)
Parametry
| Kód | SANI11CA3125 |
|---|
Na balenie si zakladáme! Prezrite si, ako pripravujeme a zabalíme Vašu objednávku.
