Montážny prvok Duofix pre závesné WC so splachovacou nádržkou pod omietku Sigma 12 cm, na inštaláciu medzi bočné steny
Účel použitia
- Pre kovové a drevené stĺpikové steny
- Na montáž do čelných stien čiastočne vysokých alebo vysokých na výšku miestnosti
- Na montáž do úzkych priestorov a výklenkov
- Na hrúbky podlahy 0–25 cm
- Pre závesné WC
Vlastnosti
- Staticky samonosný rám, chránený proti korózii práškovým poťahom
- Nastaviteľný do šírky
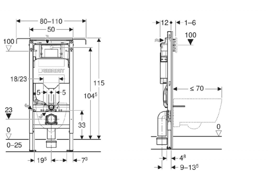
- Rám pre závesné WC s pripojovacími rozmermi podľa EN 33 a vyložením až 70 cm
- Alternatívna montážna poloha pre nástenné kotvy
- Pätné dosky je možné otáčať, vhodné pre montáž do U profilov UW 50 a UW 75
- Pozinkované podpery, chránené proti korózii, s protišmykovými vlastnosťami
- Pripojovacie koleno pre montáž bez náradia v rôznych hĺbkach, rozsah nastavenia 45 mm
- Splachovacia nádržka pod omietku Geberit Sigma 12 cm, s izoláciou proti orosovaniu
- Na ovládanie spredu, vhodné pre 1 množstvo splachovania, 2 množstvo splachovania a splachovania Štart/Stop
- Pri nastavení z výroby je možné okamžité dodatočné spláchnutie
- Montážne a servisné práce na splachovacej nádržke pod omietku bez náradia
- Prívod vody vzadu alebo hore uprostred
- Kryt pre hrubú montáž pre servisný otvor s možnosťou skrátenia, chráni pred vlhkosťou a nečistotami
- S rúrkovou chráničkou pre prívodné potrubie vody pre sprchovacie WC Geberit AquaClean a pre pripojovací kábel
- Možnosť upevnenia pre prívod elektriny a Power & Connect Box
Technické údaje
- Tlak pri prietoku: 10-1000 kPa
- Maximálna teplota vody: 25 °C
- Splachovacie množstvo, nastavenie vo výrobe: 6 a 3 l
- Veľké splachovacie množstvo, rozsah nastavenia: 4/4.5/6/7.5 l
- Malé splachovacie množstvo, rozsah nastavenia: 3-4 l
Obsah dodávky
- Prívod vody R 1/2", vhodný pre MasterFix a MeplaFix, s integrovaným rohovým ventilom a ručným ovládacím kolieskom
- Kryt pre hrubú montáž pre servisný otvor
- Pripojovacia súprava pre WC, Ø 90 mm
- Pripojovacie koleno 90 ° z PE-HD, Ø 90 mm
- Prechodka z PE-HD, Ø 90/110 mm
- Upevňovací a ochranný materiál
Špecifikácia montáže
Do podlahy je prvok ukotvený pomocou dvoch podpier, ktoré sú plynule výsuvné a tým umožňujú individuálne nastavenie výšky WC misy. To ocenia pri dosadaní a vstávaní obzvlášť vyšší, starší a zdravotne handicapovaní ľudia. Výsuvné vodorovné rozpery zabezpečia jednoduchú a spoľahlivú montáž aj v rôznych šírkach miestnosti. Prípadná demontáž ventilov (napúšťacieho a vypúšťacieho) je jednoduchá vďaka dostatočne veľkému servisnému otvoru skrytému za ovládacím tlačidlom. Opláštenie aj s obkladom je možné pripevniť priamo na rám prvku a tak nedochádza k zbytočnému zmenšeniu priestoru WC. Konštrukcia prvku Duofix dovoľuje vykonať montáž takým spôsobom, aby bola možná jeho demontáž, napr. v prípade rekonštrukcie stúpacích potrubí v inštalačnej šachte. Duofix má všetky vývody na napojenie odpadu, vody a zariaďovacieho predmetu pevne fixované, čo zjednodušuje montáž a obmedzuje možnosť chybného napojenia na minimum.
(GT)Parametry
| Kód | 111.355.00.6 |
|---|
Na balenie si zakladáme! Prezrite si, ako pripravujeme a zabalíme Vašu objednávku.
