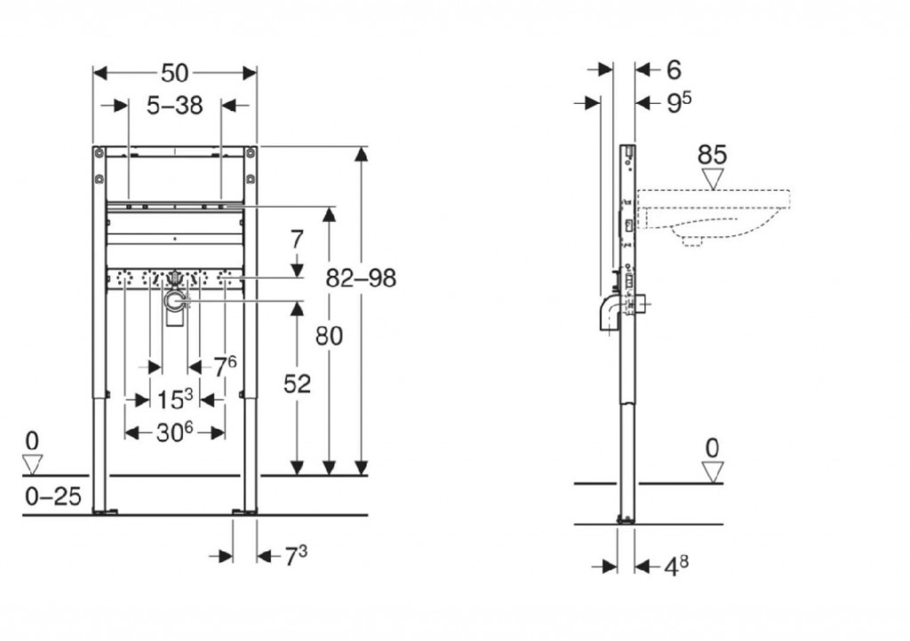
Montážny prvok Geberit Duofix pre umývadlo, 82–98 cm, stojanková armatúra
Účel použitia
- Pre kovové a drevené stĺpikové steny
- Pre systémové steny Geberit Duofix
- Na montáž do čiastočne vysokých čelných stien
- Na hrúbky podlahy 0–25 cm
- Na montáž umývadiel
- Pre stojančekové armatúry
Vlastnosti
- Staticky samonosný rám, chránený proti korózii práškovým poťahom
- Alternatívna montážna poloha pre nástenné kotvy
- Pätné dosky je možné otáčať, vhodné pre montáž do U profilov UW 50 a UW 75
- Pätné dosky je možné inštalovať do systémovej lišty Geberit Duofix bez náradia, bez ďalších komponentov
- Pozinkované podpery, chránené proti korózii, s protišmykovými vlastnosťami
- Rozteč upevnenia umývadla 5–38 cm
- S rozstupom upevnenia 18 alebo 28 cm, nastaviteľná hĺbka závitových tyčí
- Upevnenie pre pripojovacie koleno výškovo nastaviteľné a zvukovo izolované
- Priečnik na pripojenie armatúr výškovo a hĺbkovo nastaviteľný
Obsah dodávky
- 2 nástenky Rp 1/2" / R 1/2", vhodné pre MeplaFix
- 2 zvukovo izolačné podložky
- 2 zvukovo izolačné púzdra
- Pripojovacie koleno z PE-HD, Ø 50 mm
- Tesnenie Ø 44 / 32 mm
- Upevňovací materiál
Súprava pre predstenovú montáž nie je súčasťou dodávky, treba objednať zvlášť
(GT)Parametry
| Kód | 111.485.00.2 |
|---|
Na balenie si zakladáme! Prezrite si, ako pripravujeme a zabalíme Vašu objednávku.
