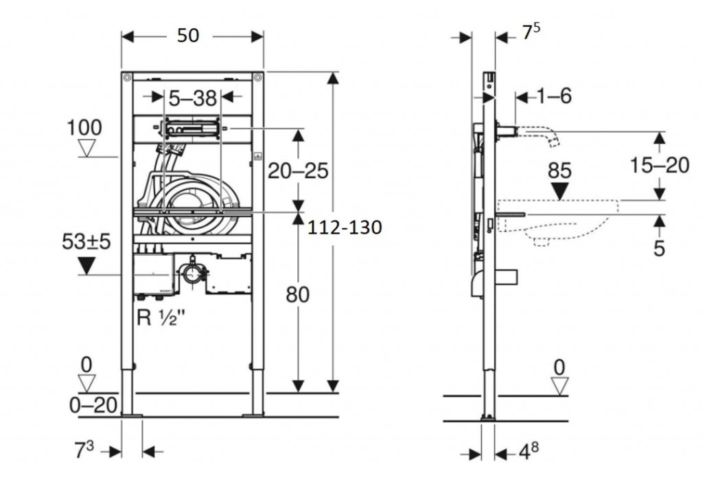
Montážny prvok Geberit Duofix pre umývadlo a podomietkovú batériu ONE
- materiál oceľ
- na montáž umývadiel
- pre armatúry pod omietku Geberit ONE
- pre funkčný box pod omietku
- pre hrúbky podlahy 0–20 cm
- pre konštrukcie vykonávané suchým procesom
- na montáž do predstenových inštalácií čiastočne vysokých alebo vysokých na výšku miestnosti
- na montáž do inštalačných stien vysokých na výšku miestnosti
- na montáž do systémových stien Geberit Duofix čiastočne vysokých alebo vysokých na výšku miestnosti
- rám s vŕtanými otvormi Ø 9 mm na upevnenie do drevenej konštrukcie
- podpery s protišmykovou úpravou, pozinkované, nastaviteľné 0–20 cm
- pätné dosky otočné
- hĺbka pätovej dosky vhodná na montáž do U profilov UW 50 a UW 75 a do systémových profilov Geberit Duofix
- rozstup upevnenia umývadla 5–38 cm
- doska pre pripojenie armatúr výškovo nastaviteľná
- upevnenie pre nástennú armatúru predinštalovaná
- prívod vody vhodný pre MasterFix a MeplaFix
- prívod vody na krabici pod omietku dole
- upevnenie pre pripojovacie koleno výškovo nastaviteľné a zvukovo izolované
- podomietková krabica pre umývadlovú armatúru Geberit ONE, predmontovaná
- pripojovacie rúrky medzi krabicou pod omietku a upevnenie pre nástennú armatúru predmontované
- uzatváracie jednotky integrované do krabice pod omietku
Súčasti balenia
- pripojovacie koleno z PE-HD, Ø 50 mm
- tesnenie Ø 44 / 32 mm
- 2 závitové tyče M10
- kryt pre hrubú montáž s vekom, pre škatuľu pod omietku
- kryt pre hrubú montáž na upevnenie pre nástennú armatúru
- upevňovací materiál
(GT)
Parametry
| Kód | 111.069.00.1 |
|---|
Na balenie si zakladáme! Prezrite si, ako pripravujeme a zabalíme Vašu objednávku.
