Montážny prvok Duofix pre závesné WC so splachovacou nádržkou pod omietku Omega 12 cm
účel použitia
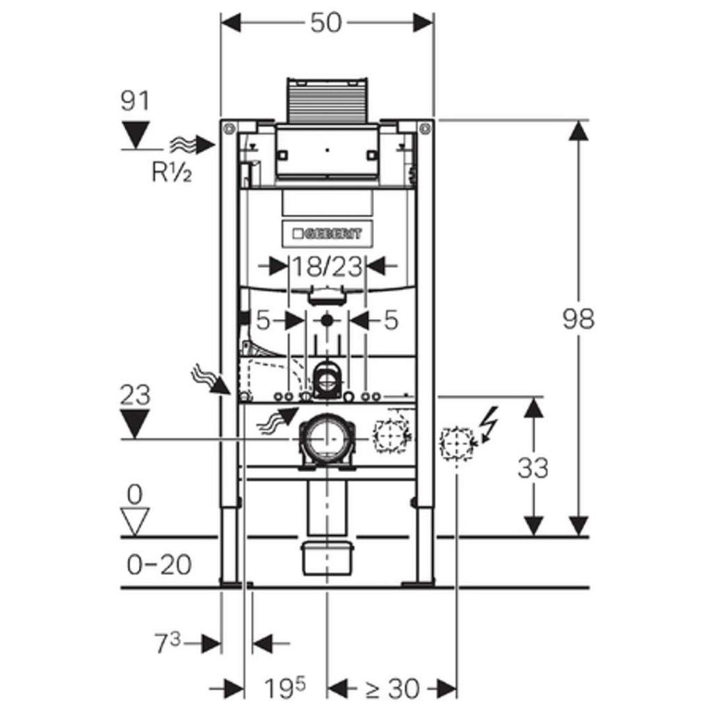
- Pre hrúbku podlahy 0-20 cm
- Pre zabudovanie do čiastočne vysokej systémovej steny Duofix pred masívnou stenou alebo stenou vykonávanú suchým procesom
- Pre zabudovanie do systémovej steny Duofix na celú výšku miestnosti
- Pre zabudovanie do čiastočne vysokej alebo na celú výšku miestnosti steny GIS pred masívnou stenou alebo stenou vykonávanú suchým procesom
- Pre montáž pred masívnou stenou alebo stenou vykonávanú suchým procesom
- Pre zabudovanie do predstenovej inštalácie na čiastočnú alebo celú výšku miestnosti pred masívnou stenou alebo stenou vykonávanú suchým procesom
- Pre zabudovanie do ľahkej priečky na celú výšku miestnosti
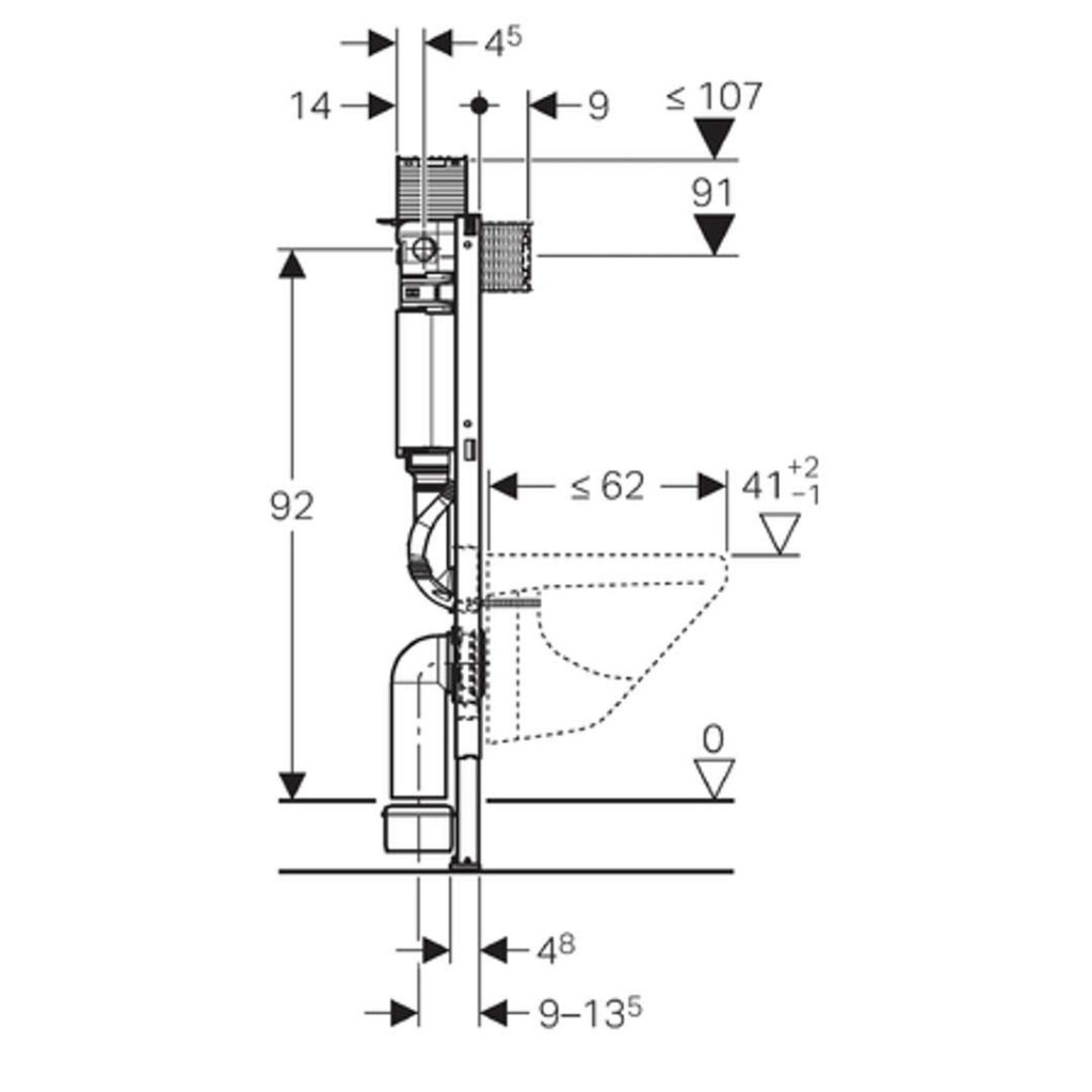
- Pre závesná WC s vyložením do 62 cm
- Pre 2 množstvo splachovanie
- Nevhodný pre zabetónovanie
vlastnosti
- Rám s otvormi ø 9 mm pre upevnenie do drevených konštrukcií
- samonosný prvok
- Rám s C-profilom 4/4 cm
- Povrch rámu upravený práškovou farbou, farba Geberit modrá
- Podpery o 5 cm zásuvné
- Pätné dosky otočné, pre montáž do profilov UW50 a UW75
- Rám pripravený pre podpery u WC keramik s malou plochou plášťa
- Podpery pozinkované, nastaviteľné 0-20 cm
- Podpery s protišmykovou úpravou
- Odpadové pripojovacie koleno pre montáž bez náradia v rôznych hĺbkových polohách, rozsah nastavenia 45 mm
- Zvukovo izolované upevnenie odpadového kolena
- Splachovacia nádržka pod omietku s ovládaním zhora alebo spredu, izolácia proti orosovaniu
- Nastaviteľné okamžité spláchnutie možné
- Splachovacia nádržka pod omietku pre montáž a servisné práce bez náradia
- Prívod vody z boku, vľavo alebo vzadu vľavo
- Kryt pre hrubú montáž chráni servisný otvor proti vlhkosti a nečistotám
- Kryt pre hrubú montáž pre servisný otvor s možnosťou skrátenia
- Vybavený rúrkovou chráničkou pre prívod vody pre Geberit AquaClean
technické informácie
- Výpočtový prietok: 0,11 l / s
- Minimálny tlak pri prietoku: 0.05 MPa
- Minimálny tlak pri prietoku: 50 kPa
- Rozsah tlaku vody: 0.01-1.0 MPa
- Rozsah tlaku vody: 10-1000 kPa
- Maximálna prevádzková teplota vody: 25 ° C
- Splachovacie množstvo nastavení z výroby: 6 a 3 l
- Veľké splachovacie množstvo rozsah nastavenia: 4,5 / 6 / 7,5 l
- Malé splachovacie množstvo rozsah nastavenia: 3-4 l
rozsah dodávky
- Prívod vody R 1/2, vhodný pre MeplaFix, s integrovaným rohovým ventilom a ručným ovládacím kolieskom
- Kryt pre hrubú montáž pre servisný otvor
- 2 ochranné zátky
- Súprava pre pripojenie WC, ø 90 mm
- Odpadové koleno pre WC, PE-HD, ø 90 mm
- Prechodka, PE-HD, ø 90/110 mm
- 2 závitové tyče M12
- upevňovací materiál
- neobsahuje ovládacie tlačidlo
- stavebné súprava pre predstenovú montáž nie je súčasťou balenia - je potrebné objednať samostatne
(GT)
Parametry
| Kód | 111.030.00.1 |
|---|
Na balenie si zakladáme! Prezrite si, ako pripravujeme a zabalíme Vašu objednávku.
