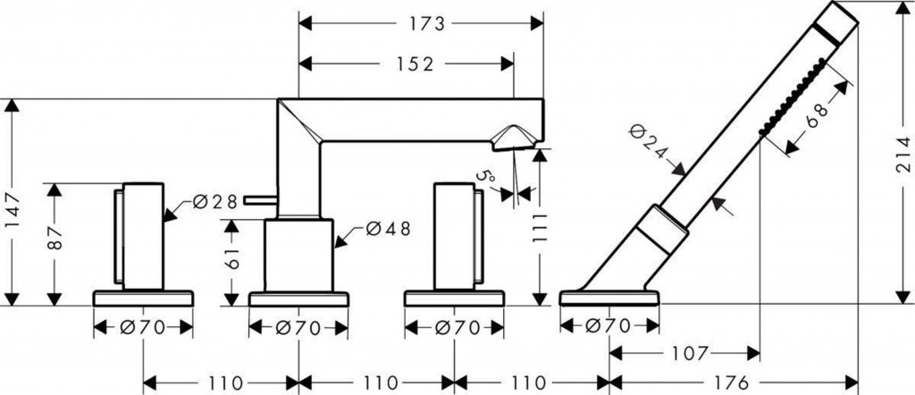
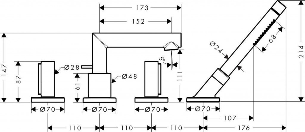
Vaňová štvorotvorová batérie na okraj vane s ručnou sprchou
- výtok 152 mm
- povrchová úprava chróm
- Normálne a sprchový prúd
- prietok 22 l / min
- keramické ventily teplá / studená 90 °
- Dĺžka vytiahnutie ručnej sprchy maximálne 1,10 m
- zabudovaný sprchový držiak
- rozmer prívodov DN15
- obsahuje rukoväte, rozety, prepínač, vaňový výtok, tyčovou ručnú sprchu Axor Starck s dvoma prúdmi (# 28532000)
- pripojenie na základné teleso (nie je súčasťou dodávky)
(GT)
Parametry
| Kód | 45444000 |
|---|
Na balenie si zakladáme! Prezrite si, ako pripravujeme a zabalíme Vašu objednávku.
