Kompletný WC set obsahuje
- podomietkový modul Uniset
- závesné WC Bau Ceramic, s technológiou Rimless
- WC sedátko, s technológiou SoftClose
- splachovacie tlačidlo Skate Cosmopolitan, Cool Sunrise
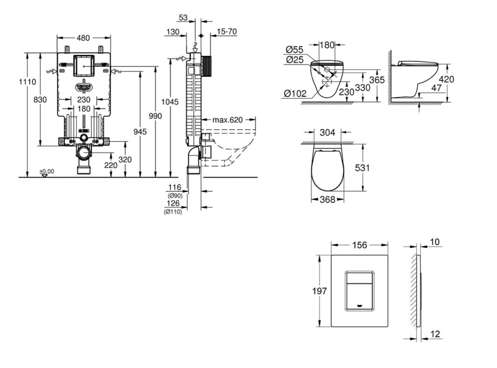
Uniset Modul pre WC, splachovacia nádrž GD 2
- odhlučnený EPS-modul pre obmurovanie
- 830 x 470 x 130 mm
- koľajnicový adaptér na upevnenie modulu
- pre jednotlivú montáž alebo montáž na koľajnici
- nástenná koľajnica s upevňovacím materiálom pre jednotlivú montáž
- 2 úchyty pre WC
- rozteč skrutiek 180/230 mm
- upevnenie keramiky
- odpadové koleno Ø90 mm
- hĺbkovo nastaviteľné
- redukcia Ø90/110 mm
- prívodná a odpadová súprava
- splachovacia nádrž 6 - 9 l
- nastavené z výroby na 6 l - 3 l
- pneumatický odtokový ventil ponúka 3 režimy chodu: 2-činné splachovanie, alebo štart/stop alebo neprerušiteľné (iba štart)
- možnosť dopojenia prívodu vody zľava/sprava/zozadu alebo zhora
- skupina armatúr I - nízka hlučnosť
- izolované od kondenzujúcej vody
- prípojka vody DN 15 s integrovaným rohovým ventilom a skrutkovým spojom bez použitia náradia
- pre vertikálne alebo horizontálne použitie splachovacích tlačidiel
Závesné WC s bezokrajovou konštrukciou - rimless
- farba: alpská biela
- materiál: glazovaná hladká keramika
- rozmery: 531 x 368 x 373 mm (H/Š/V)
- hlboké splachovanie
- zadný odpad
- objem spláchnutia 3/6 l
- WC sedátko
- s funkciou pomalého sklápania SoftClose
- materiál: duroplast
- pánty z nerezovej ocele
- jednoduchá demontáž - upevnenie zhora
Ovládacie tlačidlo Skate Cosmopolitan
- farba: Cool Sunrise
- rozmer: 156 x 197 x 12 mm
- materiál: ABS
- povrchová úprava GROHE Long-Life
- pre 2-činné splachovanie alebo funkciu štart/stop
- pre pneumatický odtokový ventil AV1
- GROHE Water Saving – menej vody, dokonalý prietok
(GT)
Parametry
| Kód | SANI15BB4102 |
|---|
Na balenie si zakladáme! Prezrite si, ako pripravujeme a zabalíme Vašu objednávku.
