Kompletný inštalačný set pre závesné WC obsahuje
- predstenový inštalačný modul so splachovacou nádržou 6-9 l
- nástennú prípojku a súpravu na tlmenie hluku
- keramický závesný klozet Bau Ceramic vrátane sedátka softclose
- 2-činné ovládacie tlačidlo Skate Cosmopolitan
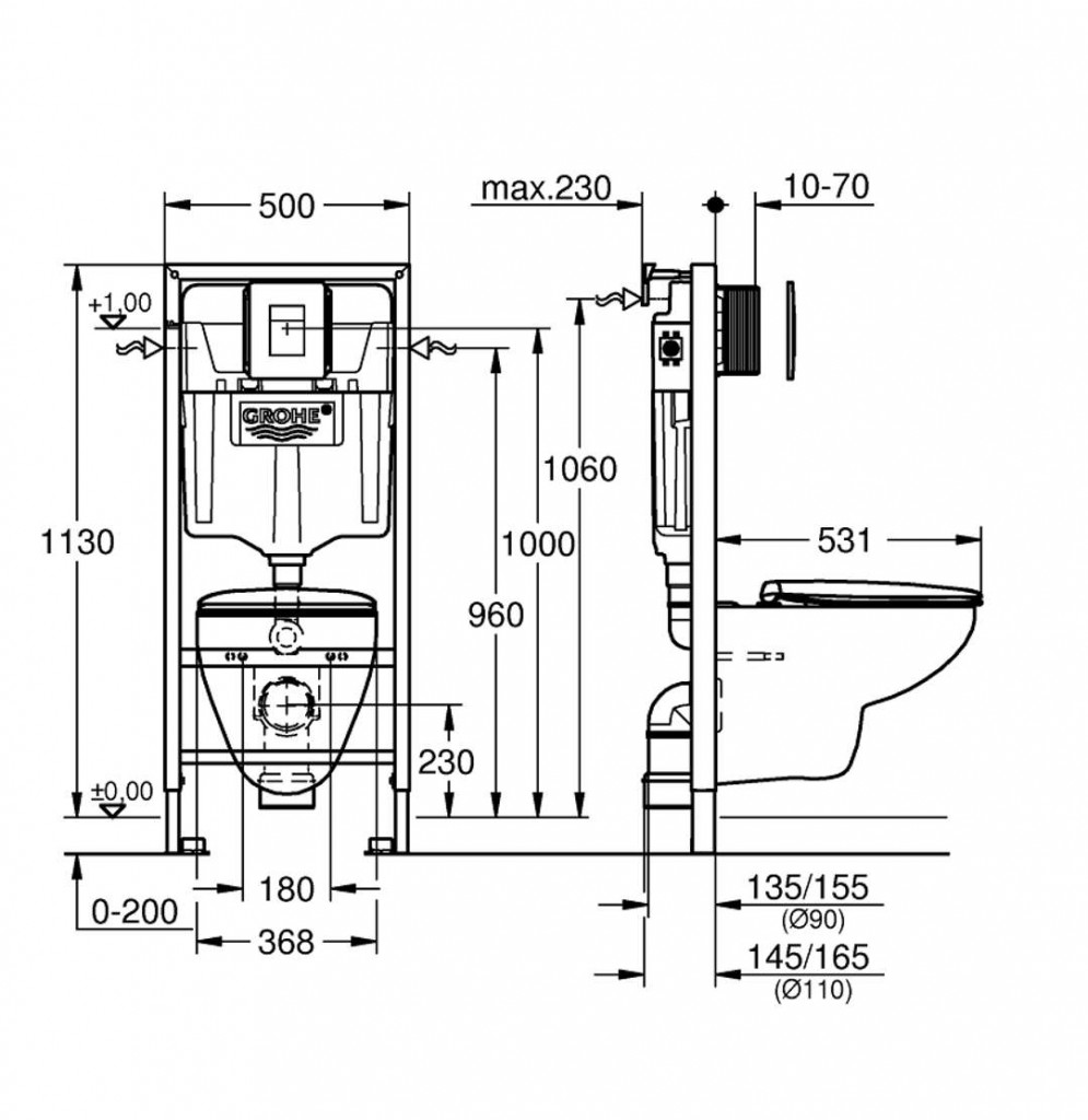
Rapid SL pre závesné WC, s plachovacou nádržou GD 2
- stavebná výška 1,13 m
- pre predstenovú montáž alebo montáž do ľahkej priečky
- samonosný rám, práškové lakovanie
- na obloženie sadrokartónom
- pevné oceľové prípojky
- upevňovací materiál
- rýchle nastavenie, uzamykateľné
- 2 úchyty pre WC
- upevnenie keramiky
- rozteč skrutiek 180/230 mm
- odpadové koleno Ø 90 mm
- hĺbkovo nastaviteľné
- redukcia Ø 90/110 mm
- prívodná a odpadová súprava
- splachovacia nádrž 6 - 9 l
- nastavené z výroby na 3 l - 6 l
- pneumatický odtokový ventil ponúka 3 režimy chodu: 2-činné splachovanie, prípadne štart / stop alebo
- neprerušiteľné (iba štart)
- možnosť pripojenia prívodu vody zľava/sprava/zozadu alebo zhora
- skupina armatúr I - nízka hlučnosť
- izolované od kondenzujúcej vody
- pre inštaláciu nie je potrebné náradie
- kontrolné hriadele vrátane ochrany počas fázy výstavby
- prípojky vody DN 15 s integrovaným rohovým ventilom a skrutkovým spojom bez použitia náradia
- pre vertikálne alebo horizontálne použitie
- inštalácia na mieste
- 2 uholníky pre stenu s upevňovacím materiálom
Závesné WC Bau Ceramic
- hlboké splachovanie
- bezokrajové splachovanie rimless
- materiál: glazovaná hladká keramika
- farba: alpská biela
WC sedátko s poklopom a funkciou softclose
- materiál: duroplast
- farba: alpská biela
- odnímateľné
- ľahká demontáž
- pánty z nerezovej ocele
Ovládacie tlačidlo Skate Cosmopolitan
- pre 2-činné splachovanie, alebo funkciu štart/stop
- pre pneumatický odtokový ventil AV1
- vertikálna aj horizontálna montáž
- rozmer: 156 x 197 mm
- vyrobené z ABS
- GROHE EcoJoy technológia pre nízku spotrebu vody a perfektný prietok
- GROHE StarLight chrómový povrch
(GT)
Parametry
| Kód | 39586000 |
|---|
Na balenie si zakladáme! Prezrite si, ako pripravujeme a zabalíme Vašu objednávku.
