kovové vyhotovenie, vhodná pre montáž so základným telesom alebo bez neho
pri použití poličky v rámci dielov vedúcich vodu (# 10751000, # 10972000, # 10651000, # 28491000)
v priamom prepojení (10 mm odstup) sa odporúča použitie základného telesa # 40878180
vhodná pre základné teleso zabudované vo vodorovnej polohe
(GT)
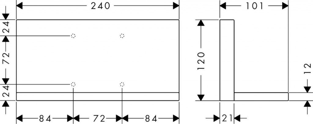
Parametry
| Kód | 40873000 |
|---|
Na balenie si zakladáme! Prezrite si, ako pripravujeme a zabalíme Vašu objednávku.
