Rapid SL pre závesné WC
Splachovacia nádrž GD 2
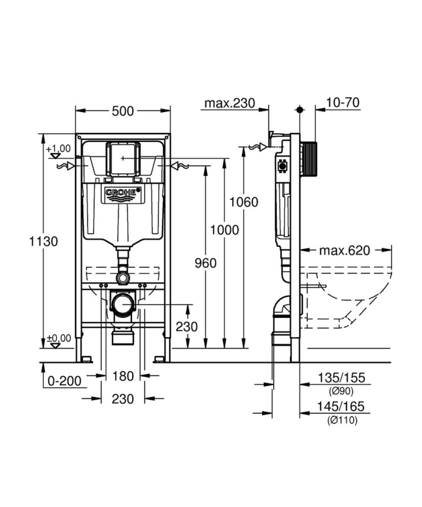
- stavebná výška 1,13 m
- pre predstenovú montáž alebo montáž do ľahkej priečky
- oceľový rám, práškové lakovanie, samonosný
- pre obloženie sadrokartónom, kompletne predmontované
- pevné objektové prípojky
- pre jednotlivú montáž alebo montáž na koľajnicu
- rýchle nastavenie, uzamykateľné
- upevňovací materiál
- certifikované TÜV
- 2 úchyty pre WC
- upevnenie keramiky
- WC keramika s plochou menšou ako 205 mm vyžaduje dodatočné príslušenstvo 38 779 000
- rozteč skrutiek 180/230 mm
- odpadové koleno Ø 90 mm
- hĺbkovo nastaviteľné
- redukcia Ø 90/110 mm
- prívodné a odpadové súprava
- splachovacie nádrž 6 - 9 l
- nastavené z výroby na 6 l - 3 l
- pneumatický odtokový ventil ponúka 3 režimy chodu: 2-činné splachovanie, alebo štart / stop, a alebo neprerušiteľné (puoze štart)
- prívod vody zľava / sprava alebo zozadu
- skupina armatúr I - nízka hlučnosť
- izolované od kondenzujúcej vody
- prípojka vody DN 15 s integrovaným rohovým ventilom a skrutkovým spojom bez použitia náradia
- pre inštaláciu netreba náradie
- kontrolné hriadeľa vrátane ochrany
- počas fázy výstavby
- pre vertikálne alebo horizontálne použitie
- vrátane nástenných držiakov 38 558 00M pre montáž na stenu
- s odhlučňovacích sadou pre WC
- revízny otvor 40 911 000 pre malé ovládacie tlačidlá je nutné objednať zvlášť
(GT)
Parametry
| Kód | 38539001 |
|---|
Na balenie si zakladáme! Prezrite si, ako pripravujeme a zabalíme Vašu objednávku.
