špecifikácie
Rapid SL pre závesné WC so splachovacie nádržou 6-9 l
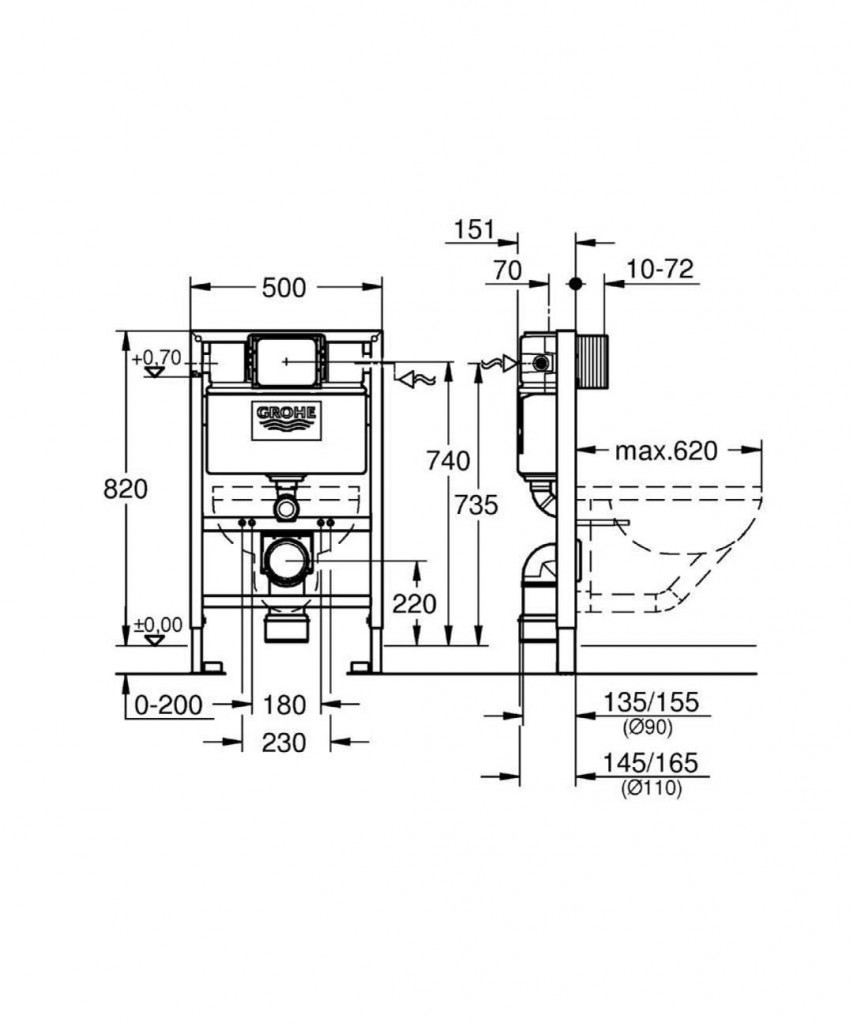
- stavebná výška 0,82 m
- pre predstenovú montáž alebo montáž do ľahkej priečky
- oceľový rám, práškové lakovanie, samonosný
- pre obloženie sadrokartónom
- kompletne predmontované
- pevné objektové prípojky
- pre jednotlivú montáž alebo montáž na koľajnicu
- rýchle nastavenie, uzamykateľné
- upevňovací materiál
- certifikované TÜV
- 2 úchyty pre upevnenie WC
- rozteč skrutiek 180/230 mm
- odpadové koleno Ø90 mm
- hĺbkovo nastaviteľné
- redukcia Ø90 / 110 mm
- prívodné a odpadové súprava
- splachovacie nádrž 6-9 l
- pneumatický odtokový ventil ponúka 3 režimy chodu: 2-činné splachovanie, alebo štart / stop alebo neprerušiteľné (iba štart)
- ovládanie spredu alebo zhora
- prívod vody zľava / sprava alebo zozadu
- skupina armatúr I - nízka hlučnosť
- izolované od kondenzujúcej vody
- prípojka vody DN 15 s integrovaným rohovým ventilom a skrutkovým spojom bez použitia náradia
- zakrátitelná revízna šablóna
- bez príslušenstva pre predstenovú montáž
- bez ovládania / ovládacieho tlačidla
- GROHE EcoJoy technológie pre nízku spotrebu vody a perfektný prietok
(GT)
Parametry
| Kód | 38526000 |
|---|
Na balenie si zakladáme! Prezrite si, ako pripravujeme a zabalíme Vašu objednávku.
