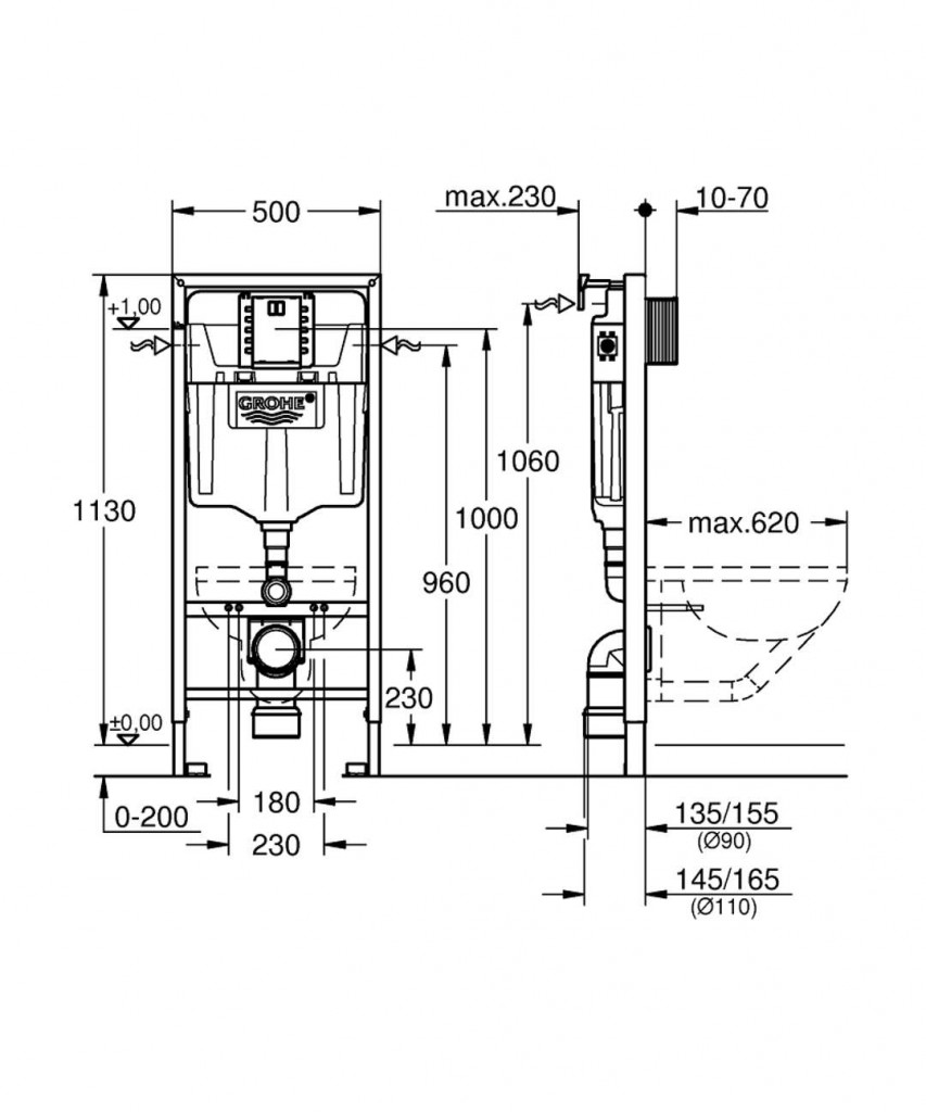
Predstenový inštalačný set Rapid SL pre závesné WC
- stavebná výška 1,13 m
- pre predstenovú montáž alebo montáž do ľahkej priečky
- oceľový rám, práškové lakovanie, samonosný
- pre obloženie sadrokartónom, kompletne predmontované
- pevné objektové prípojky
- rýchle nastavenie, uzamykateľné
- certifikované TÜV
- 2 úchyty na upevnenie WC
- WC keramika s plochou menšou ako 205 mm vyžaduje dodatočné príslušenstvo
- rozstup skrutiek 180/230 mm
- odpadové koleno Ø 90 mm
- hĺbkovo nastaviteľné
- redukcia Ø 90/110 mm
- prívodná a odpadová súprava
- splachovacia nádrž 6 - 9 l
- nastavené z výroby na 6 l - 3 l
- pneumatický odtokový ventil ponúka 3 režimy chodu: 2-činné splachovanie, alebo štart/stop alebo neprerušiteľné (iba štart)
- prívod vody zľava / sprava alebo zozadu
- skupina armatúr I - nízka hlučnosť
- izolované od kondenzujúcej vody
- prípojka vody DN 15 s integrovaným rohovým ventilom a skrutkovým spojom, bez použitia náradia
- kontrolné hriadele vrátane ochrany počas fázy výstavby
- pre vertikálne alebo horizontálne použitie
- nástenné prípojky na upevnenie do steny alebo pred ľahkú priečku, 2 kusy
- postupné nastavenie hĺbky 130 - 230 mm
- vrátane PVC odpadovej rúrky a upevňovacieho materiálu
- splachovacie tlačidlo Nova Cosmopolitan S
- pre 2-činné splachovanie, alebo funkciu štart/stop
- pre pneumatický odtokový ventil AV1
- horizontálna a vertikálna montáž
- 156 x 197 mm
- materiál ABS
- GROHE StarLight chrómový povrch
- GROHE EcoJoy technológia pre nízku spotrebu vody a perfektný prietok
- súpravu Fresh s otvorom na vhadzovanie WC tabliet
- rámček s funkciou otvárania, s nádobkou na umiestnenie tabliet
- iba pre bezchlórové tablety
(GT)
Parametry
| Kód | 39581000 |
|---|
Na balenie si zakladáme! Prezrite si, ako pripravujeme a zabalíme Vašu objednávku.
