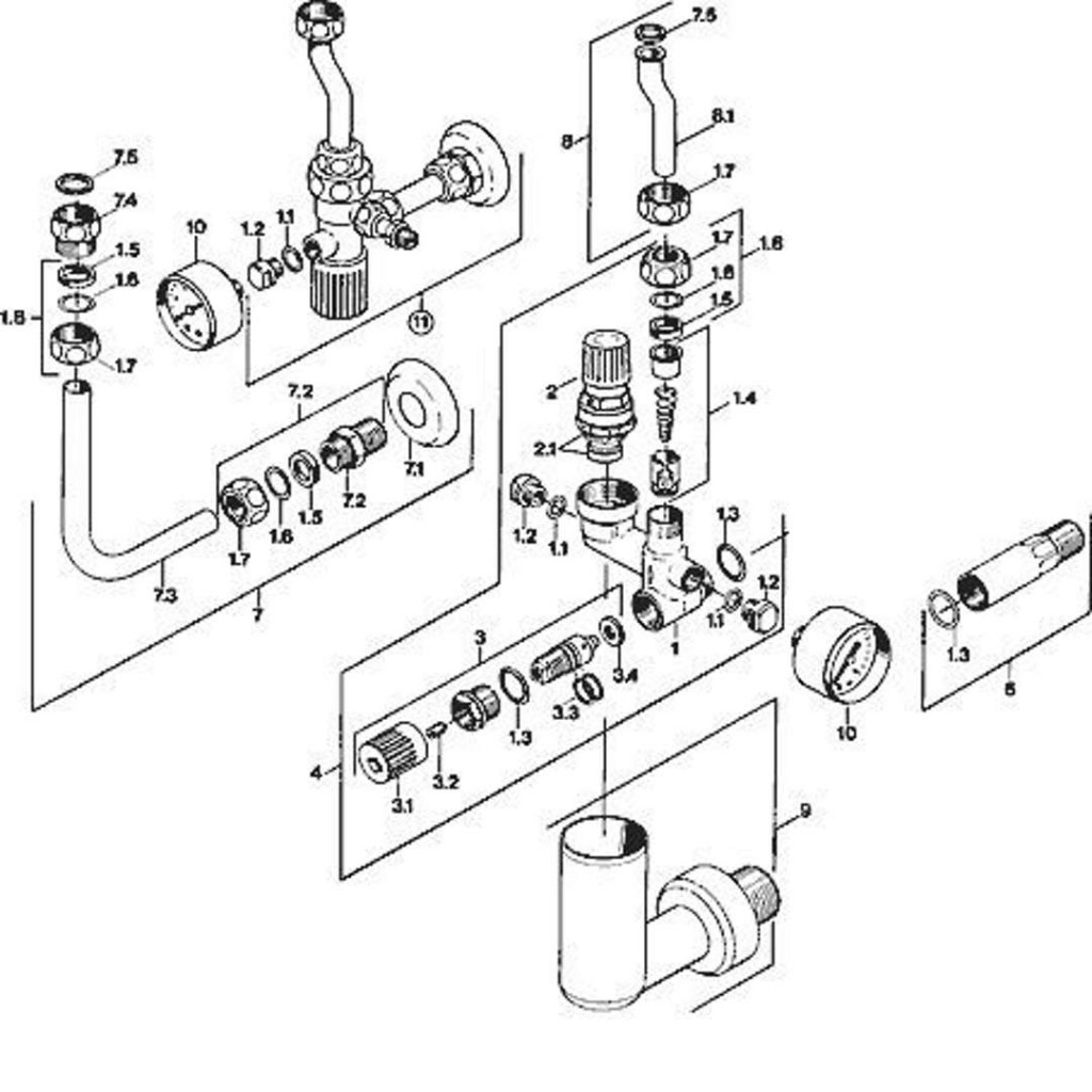
Poistná skupina pre tlakove pevné teplovodné bojlery do 200 l zodpovedajúcej DIN 1988 a DIN 4753
• bez redukčného ventilu
• výpustná lievik
• nastavený na 6 barov tlaku
Redukčný ventil obj. Č. 67241290, nastavený na 4 bary, je nutné objednať zvlášť.
(GT)Parametry
| Kód | 63202350 |
|---|
Na balenie si zakladáme! Prezrite si, ako pripravujeme a zabalíme Vašu objednávku.
