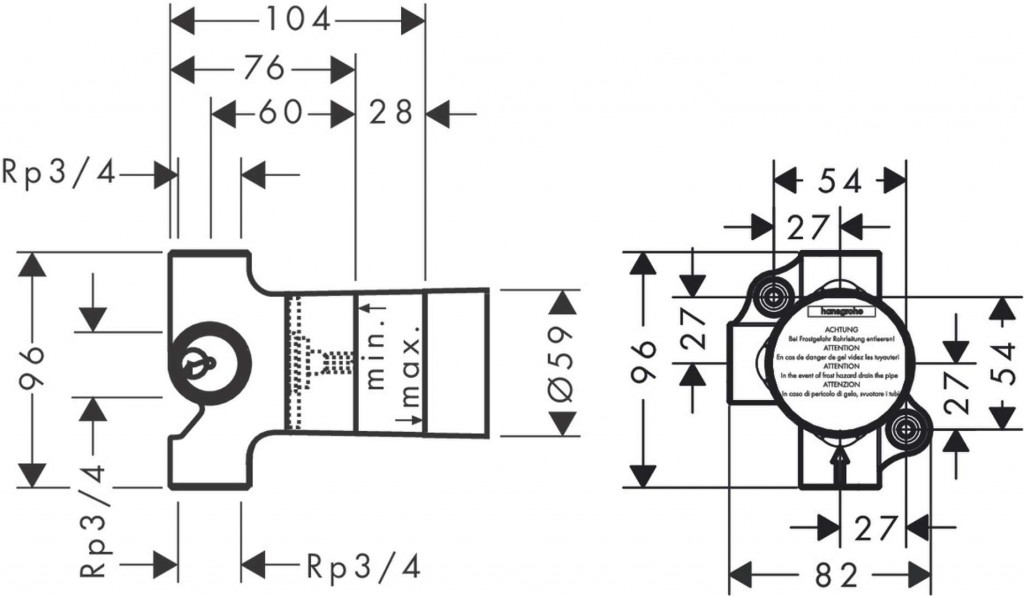
Montážne teleso pre TRIO, uzatvárací a prepínací ventil pod omietku
- vrátane keramické kartuše a tesnenia
- 2 spotrebiče
- oba spotrebiče môžu byť v prevádzke súčasne
- vhodné pre všetky vrchné sady Ttrio
- prietok 65 l / min
- rozmer prívodov DN 20
(GT)
Parametry
| Kód | 16982180 |
|---|
Na balenie si zakladáme! Prezrite si, ako pripravujeme a zabalíme Vašu objednávku.
