Špecifikácia:
Eurosmart
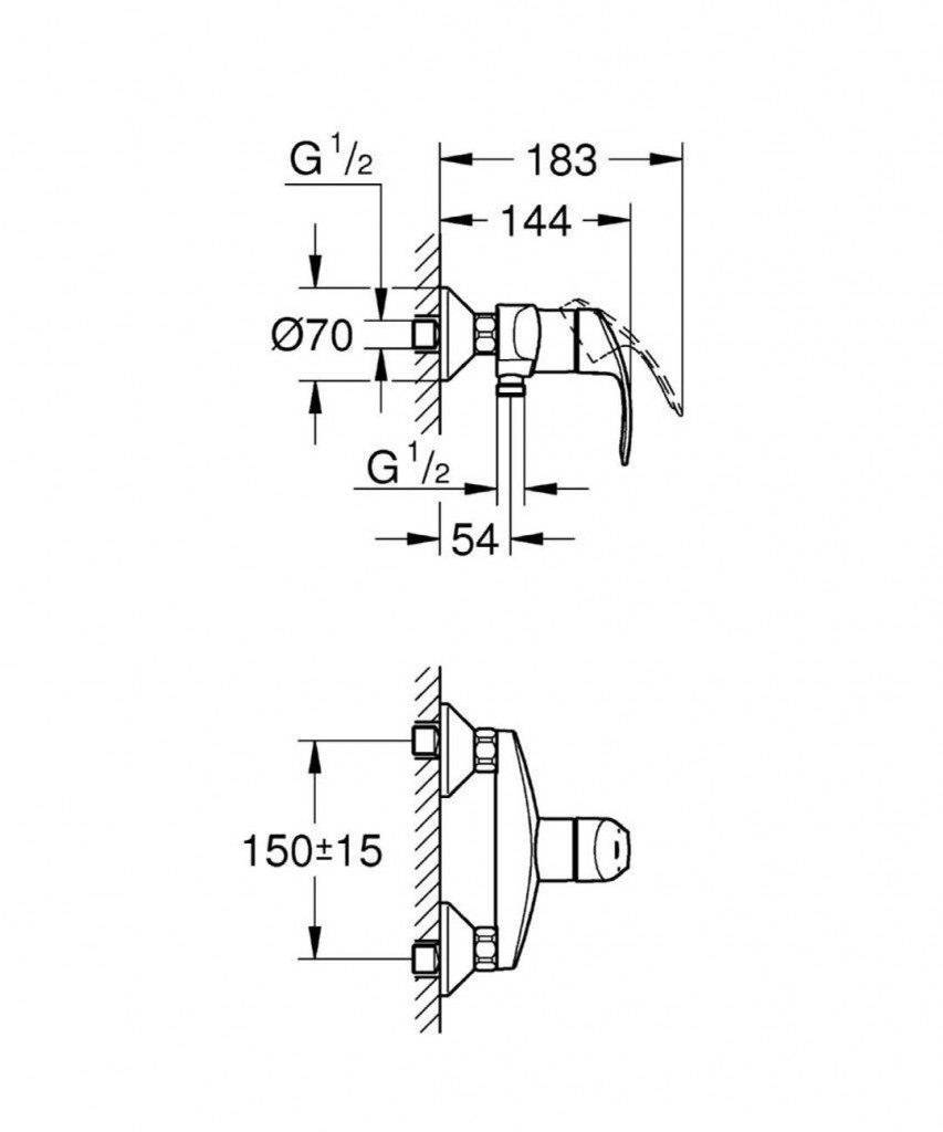
Páková sprchová batéria, DN 15
- montáž na stenu
- kovová páka
- keramická kartuša s technológiou GROHE SilkMove 35 mm
- s obmedzovačom teploty
- GROHE Starlight chrómový povrch
- variabilne nastaviteľný obmedzovač prietoku
- výstup sprchy dole DN 15 s integrovanou spätnou klapkou
- S-prípojky
- kovové nástenné rozety
- zaistené proti spätnému toku
(GT)
Parametry
| Kód | 33555002 |
|---|
Na balenie si zakladáme! Prezrite si, ako pripravujeme a zabalíme Vašu objednávku.
