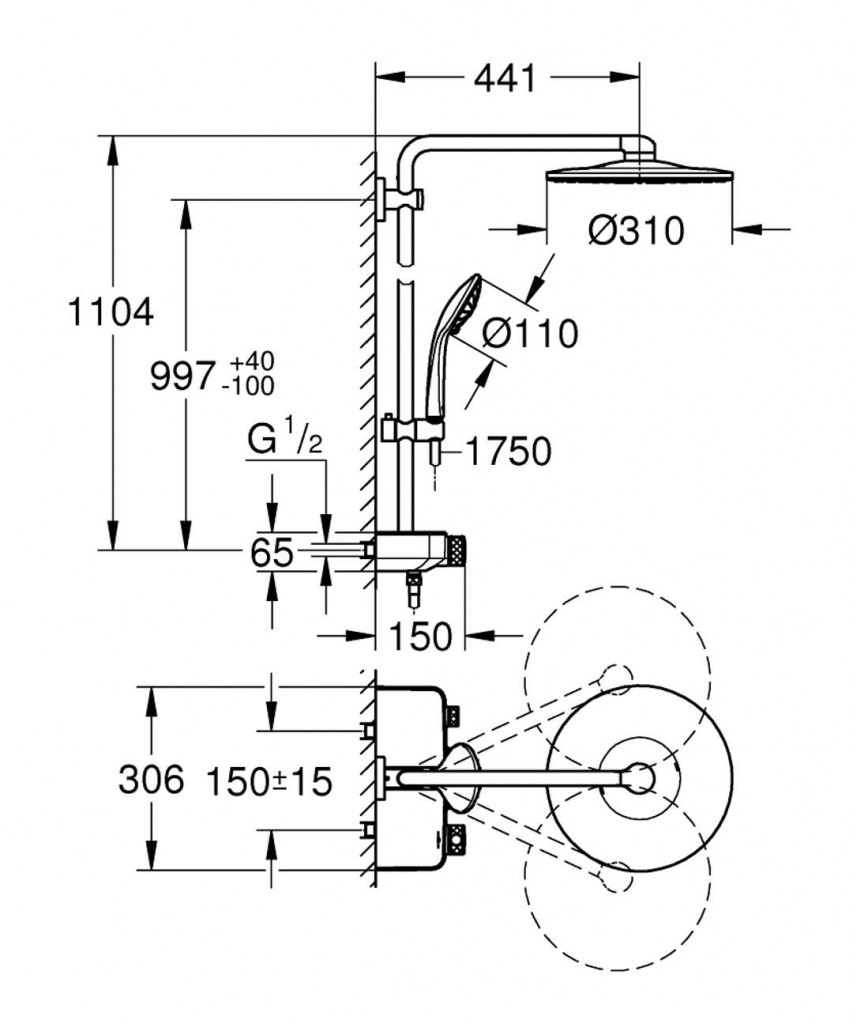
Sprchový systém 310 Duo s termostatickou batériou na stenu obsahuje
- horizontálne sprchové rameno 450 mm
- nástenný termostat SmartControl umožňujúce zmenu medzi hlavovou a ručnou sprchou
- hlavovú sprchu Rainshower 310 SmartActive s chrómovým sprchovým diskom, s režimom prúdu GROHE PureRain kombinovaným s výkonnou stredovou tryskou - systém DUO
- ručnú sprchu Euphoria 110 Massage s bielym sprchovacím diskom (27221001), sprchový prúd Rain, SmartRain, Massage, výškovo nastaviteľná pomocou posuvného držiaka
- sprchovú hadicu Silverflex 1750 mm (28388000)
špecifikácie
- GROHE DreamSpray perfektné vodné lúče
- GROHE Starlight chrómový povrch
- GROHE CoolTouch ochrana proti obareniu
- GROHE TurboStat kompaktná kartuša s termoprvkom
- GROHE EcoJoy technológie pre nízku spotrebu vody a perfektný prietok
- GROHE SafeStop pri 38 ° C
- GROHE SafeStop Plus voliteľný obmedzovač teploty pri 43 ° C
- SmartControl tlačidlo pre reguláciu objemu
- GROHE QuickFix nastaviteľný horný nástenný držiak pre ľahkú montáž
- GROHE EasyReach integrovaná priehradka
- SpeedClean odvápňovací systém
- WaterGuide pre dlhšiu životnosť
- Twistfree proti prekrúteniu sprchovej hadice
- vhodné pre prietokové ohrievače vody s výkonom od 18 kW / H
- minimálny prietok 7 l / min
- odporúčaný minimálny tlak vody 1,0 baru
(GT)
Parametry
| Kód | 26507000 |
|---|
Na balenie si zakladáme! Prezrite si, ako pripravujeme a zabalíme Vašu objednávku.
