Termostatická sprchová batéria 1001 CL
- pre 1 výstup
- termostatická kartuše, keramický ventil 180 °
- bezpečnostná poistka na 40 ° C
- nastaviteľné obmedzenie teploty
- prietok pripojením pre ručnú sprchu pri 0,3 MPa: 17 l / min
- prevádzkový tlak: min. 0,1 MPa / max. 1,0 MPa
- tlačidlo Ecostop obmedzuje spotrebu na 10 l / min
- spätný ventil
- s odhlučnením
- materiál: kovové rukoväte
- zabudovaný filter nečistôt
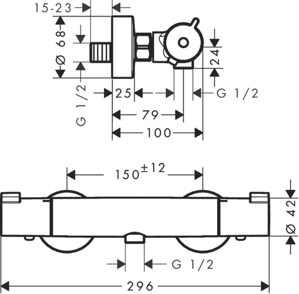
- rozteč stredov: 150 ± 12 mm
- rozmer prívodov: DN15
(GT)
Parametry
| Kód | 13211000 |
|---|
Na balenie si zakladáme! Prezrite si, ako pripravujeme a zabalíme Vašu objednávku.
