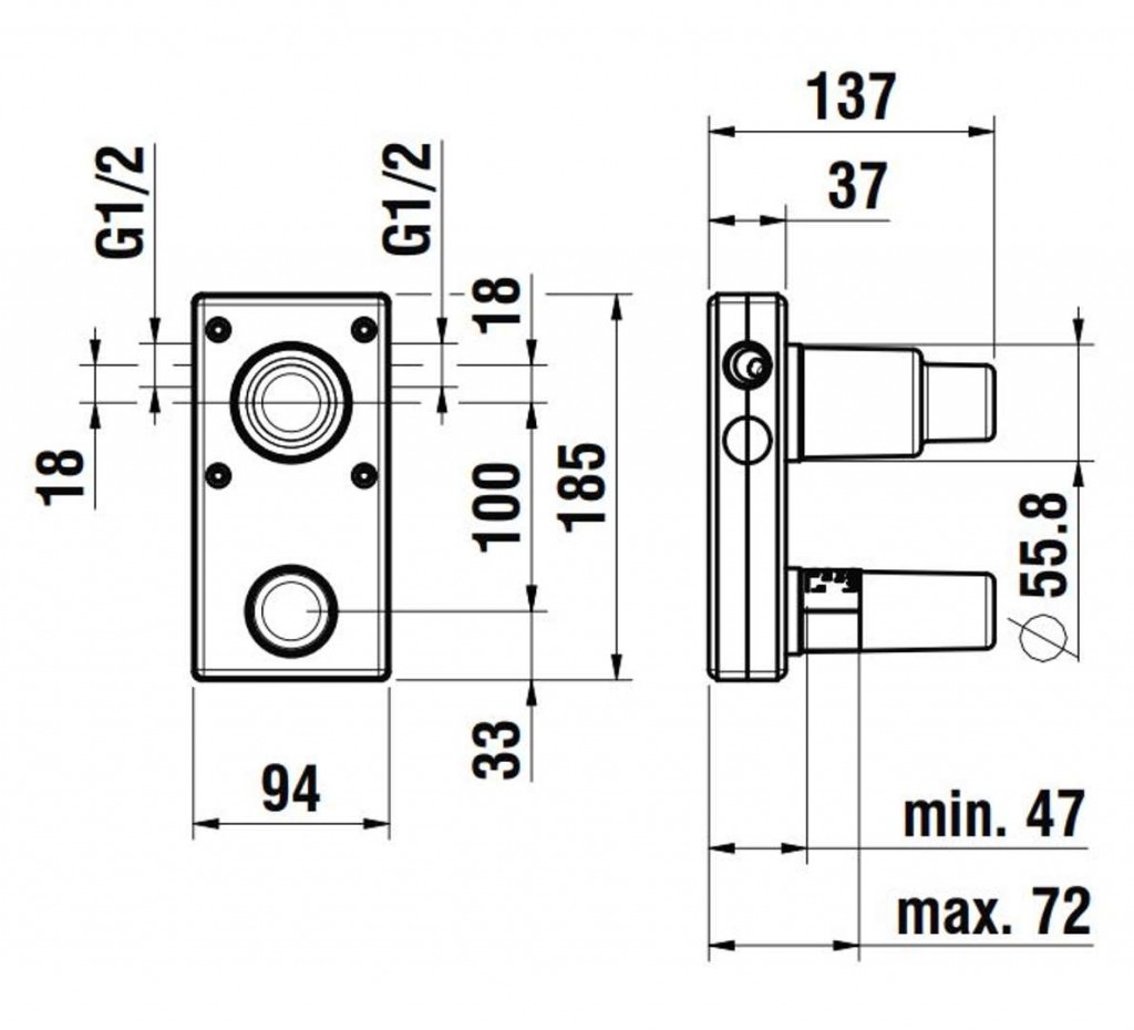
Základné teleso Simibox 2-Point pod omietku
- pre 2-otvorové umývadlové batérie
- hĺbka zabudovania: 47-72 mm
- kartuša 35 mm
- pre umiestnenie ovládacej páky hore
- pripojenie: G 1/2
- kompatibilný s výrobkami série twinplus
Ilustratívne fotografie
Originálne označenie produktu: H3769810003531
(GT)Parametry
| Kód | HF574048000000 |
|---|
Na balenie si zakladáme! Prezrite si, ako pripravujeme a zabalíme Vašu objednávku.
